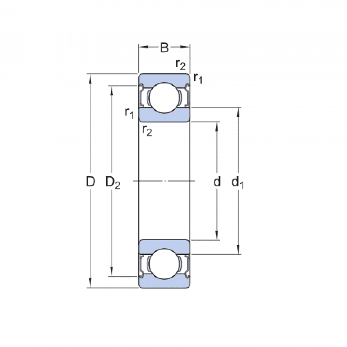
Ložisko 6310 2RS - KINEX

Rozmer: 50x110x27 Značka: KINEX
Skladom 1 ks na dopyt
+
-
ks