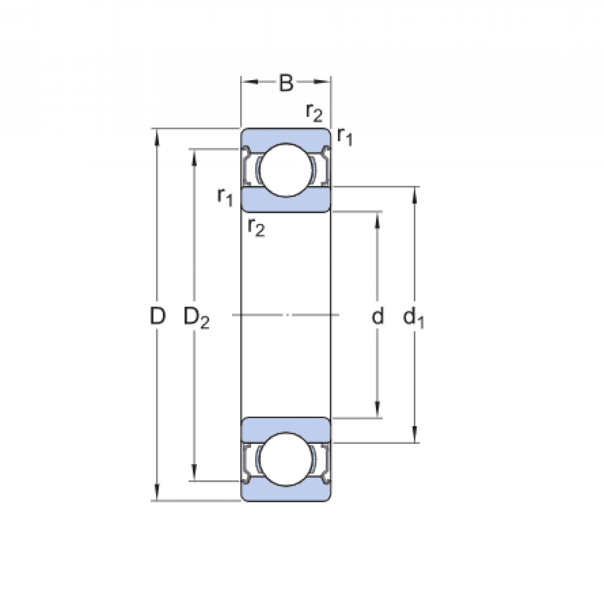
Ložisko 6310 2RS - MTM

Rozmer: 50x110x27 Značka: MTM
Skladom 28 ks na dopyt
+
-
ks