Ložisko 6310 2RS - ZKL NEW

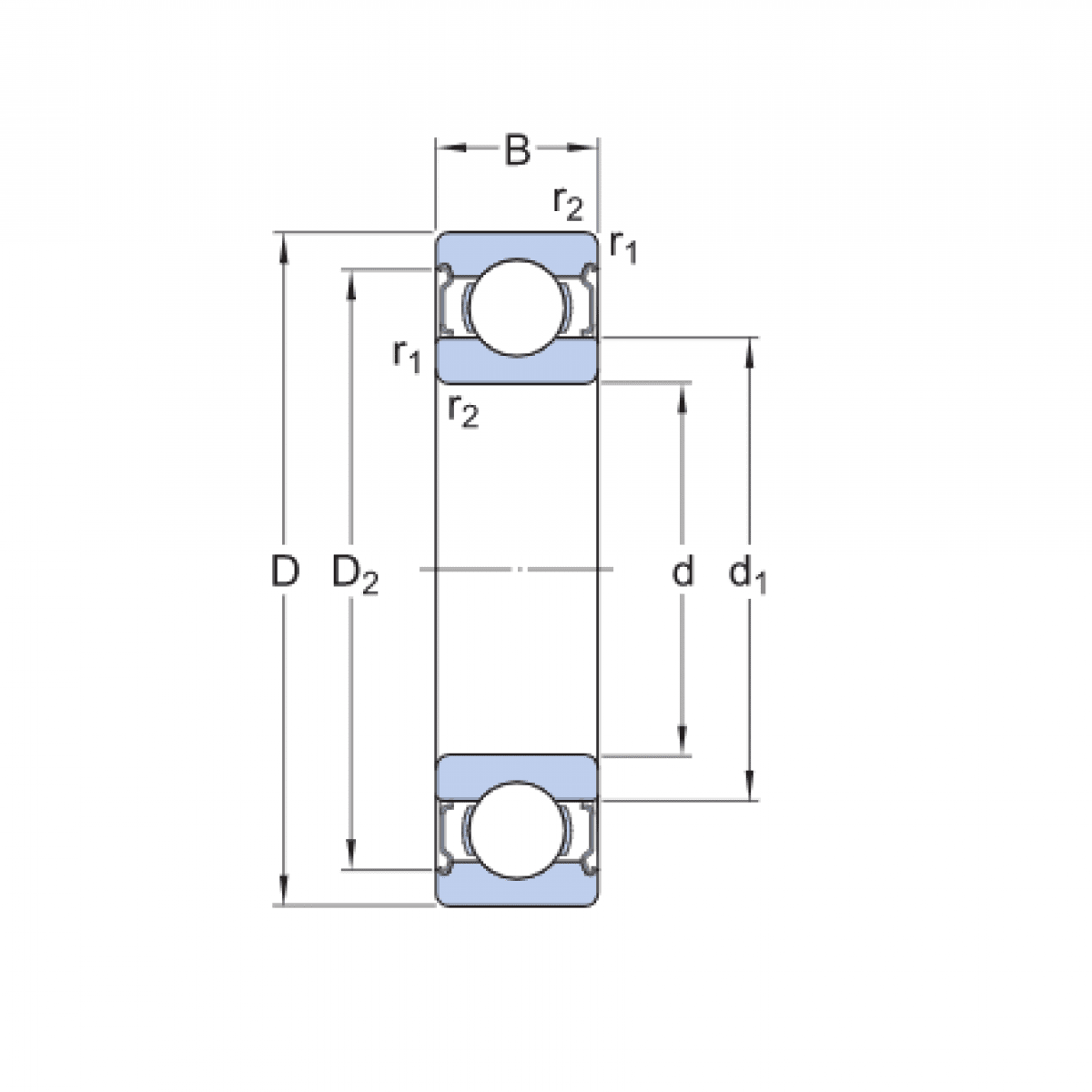
Rozmer: 50x110x27 Značka: ZKL
Externý sklad na dopyt
+
-
ks