Ložisko 6310 2Z C3 - SKF

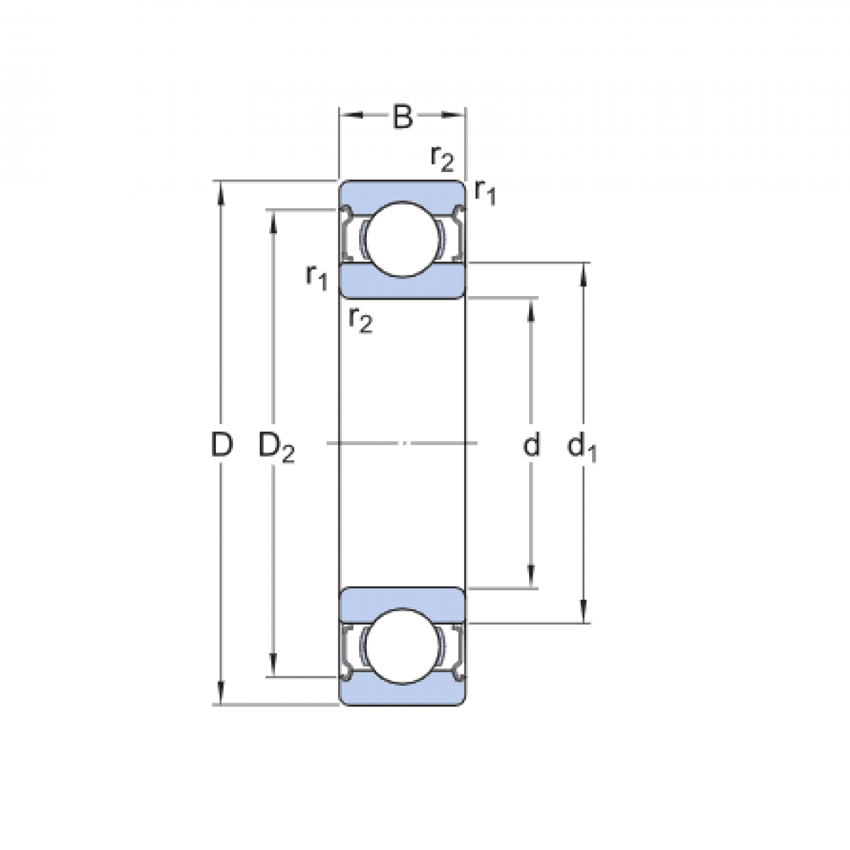
Rozmer: 50x110x27 Značka: SKF
Skladom 1 ks na dopyt
+
-
ks