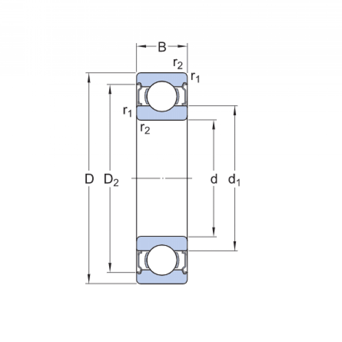
Ložisko 6310 2Z - MTM

Rozmer: 50x110x27 Značka: MTM
Externý sklad na dopyt
+
-
ks