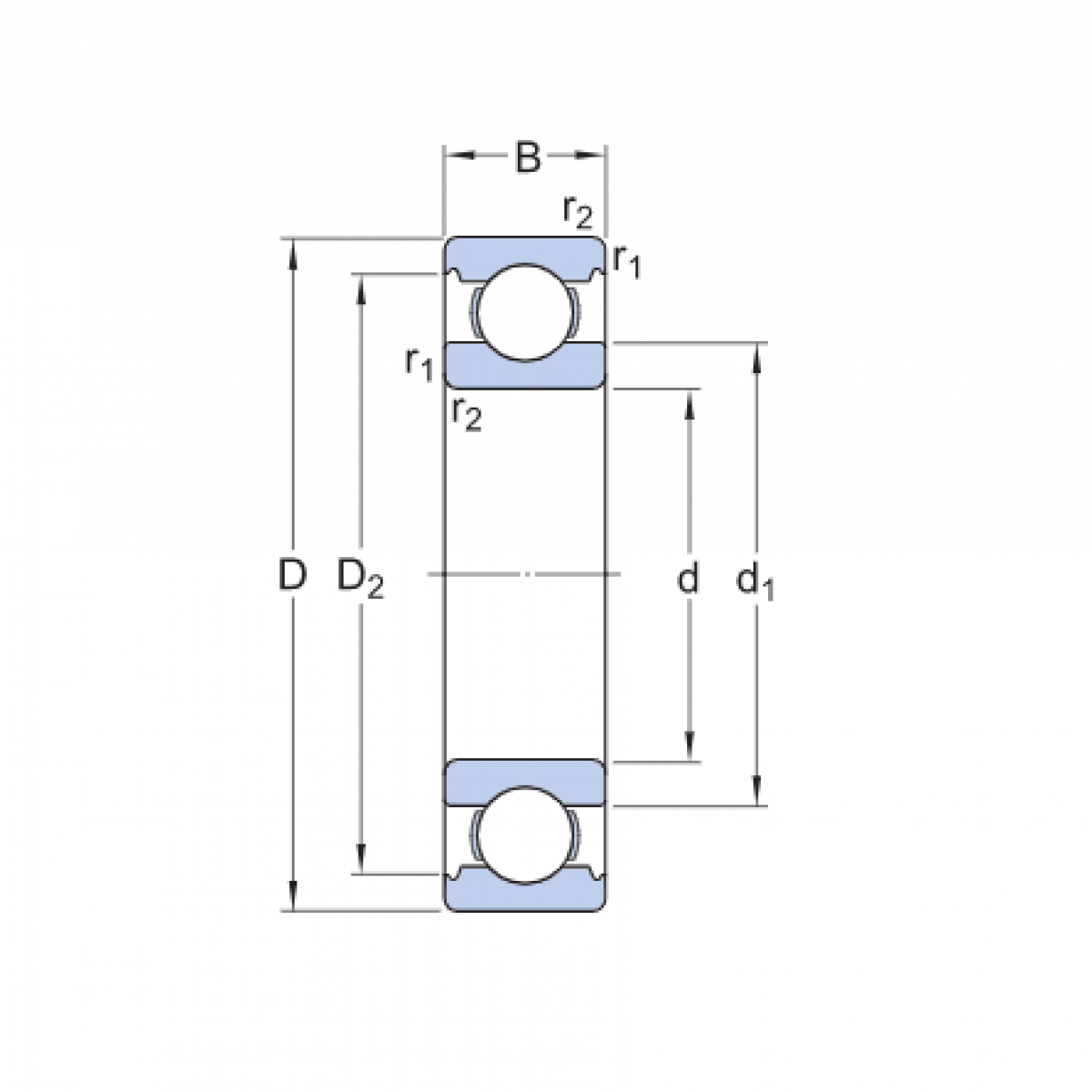
Ložisko 6310 C3 - ZKL NEW

Rozmer: 50x110x27 Značka: ZKL
Externý sklad na dopyt
+
-
ks