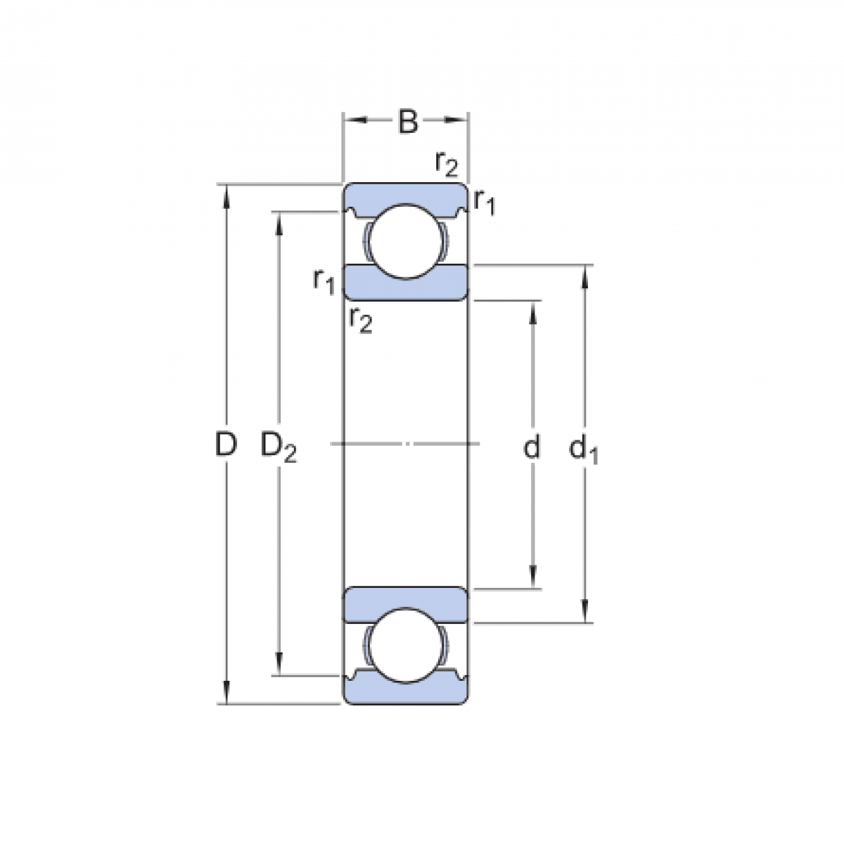
Ložisko 6310 - FAG

Rozmer: 50x110x27 Značka: FAG
Externý sklad na dopyt
+
-
ks