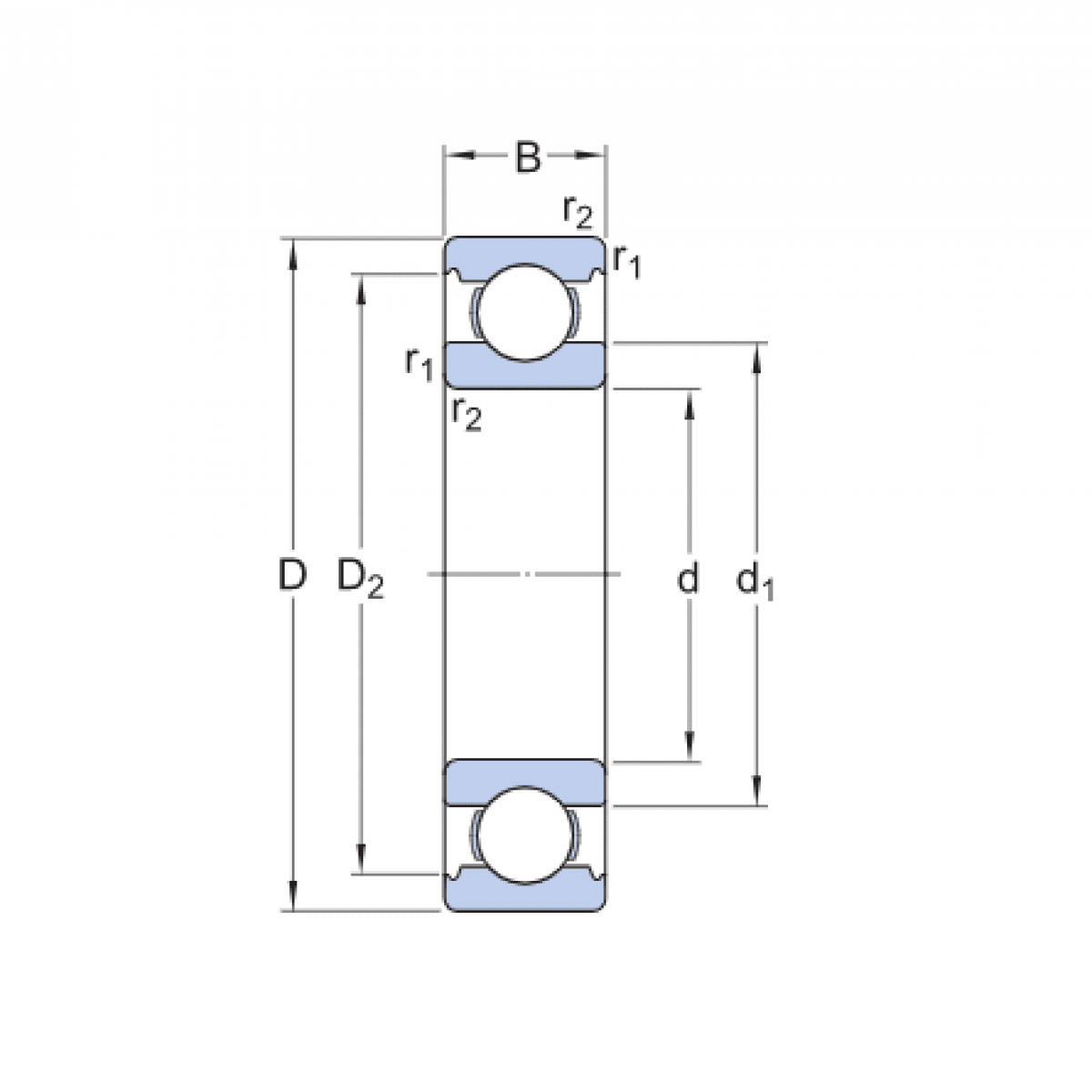
Ložisko 6310 - LYC

Rozmer: 50x110x27 Značka: CHINA+OSTATNÉ
Externý sklad na dopyt
+
-
ks