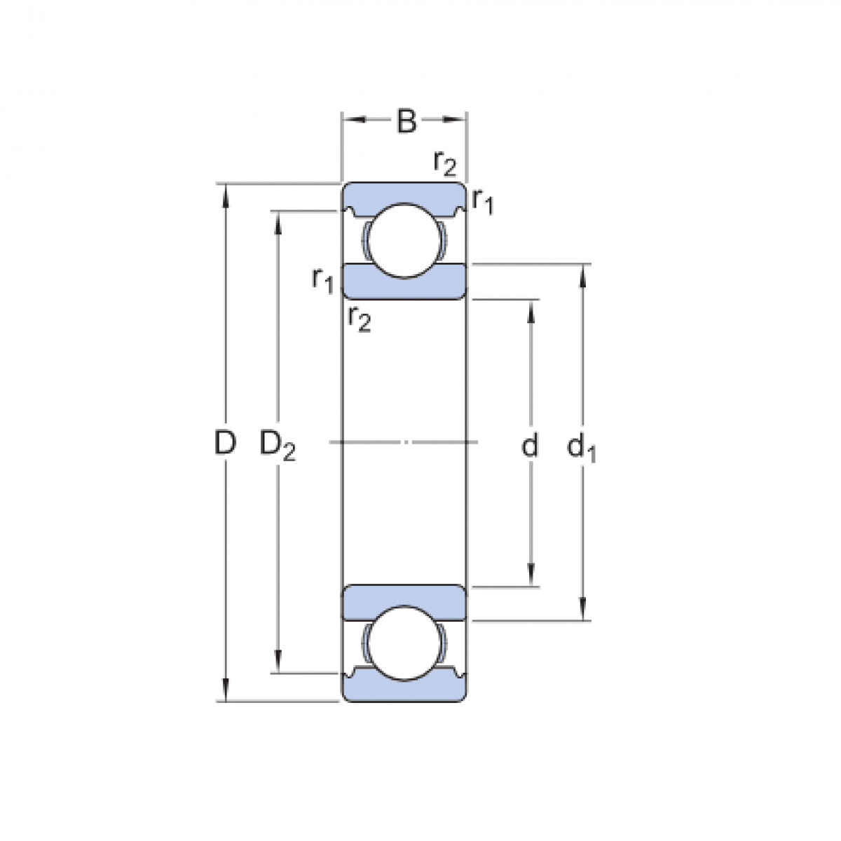
Ložisko 6310 P6 - ZKL

Rozmer: 50x110x27 Značka: ZKL
Externý sklad na dopyt
+
-
ks