Ložisko 6311 2RS C3 - CX

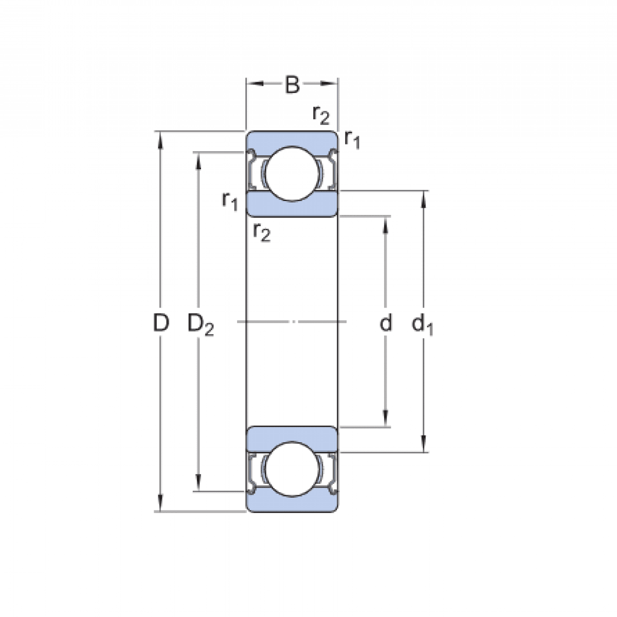
Rozmer: 55x120x29 Značka: CX
Skladom 2 ks na dopyt
+
-
ks