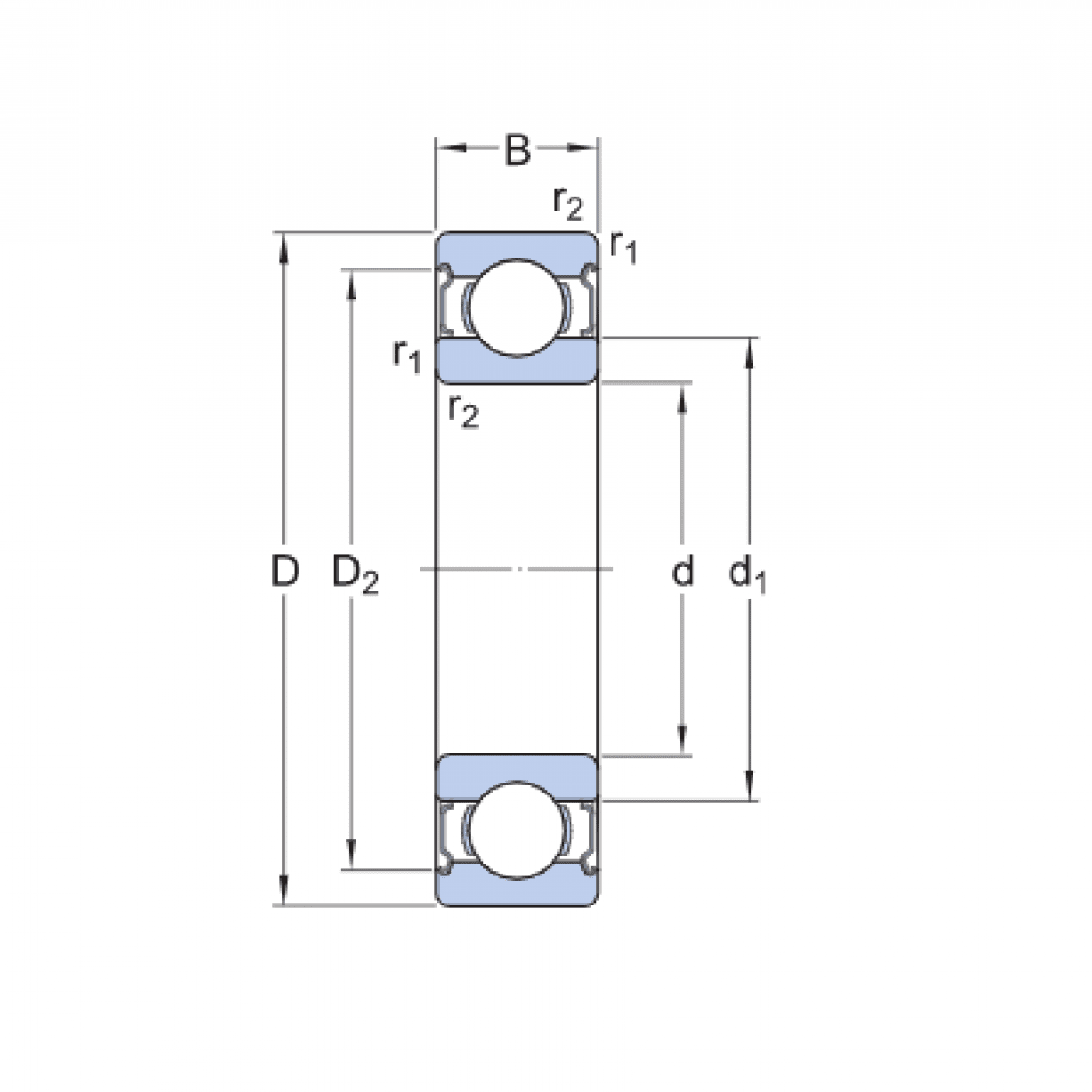
Ložisko 6311 2RS C3 - FAG

Rozmer: 55x120x29 Značka: FAG
Externý sklad na dopyt
+
-
ks