Ložisko 6311 2RS - KOYO

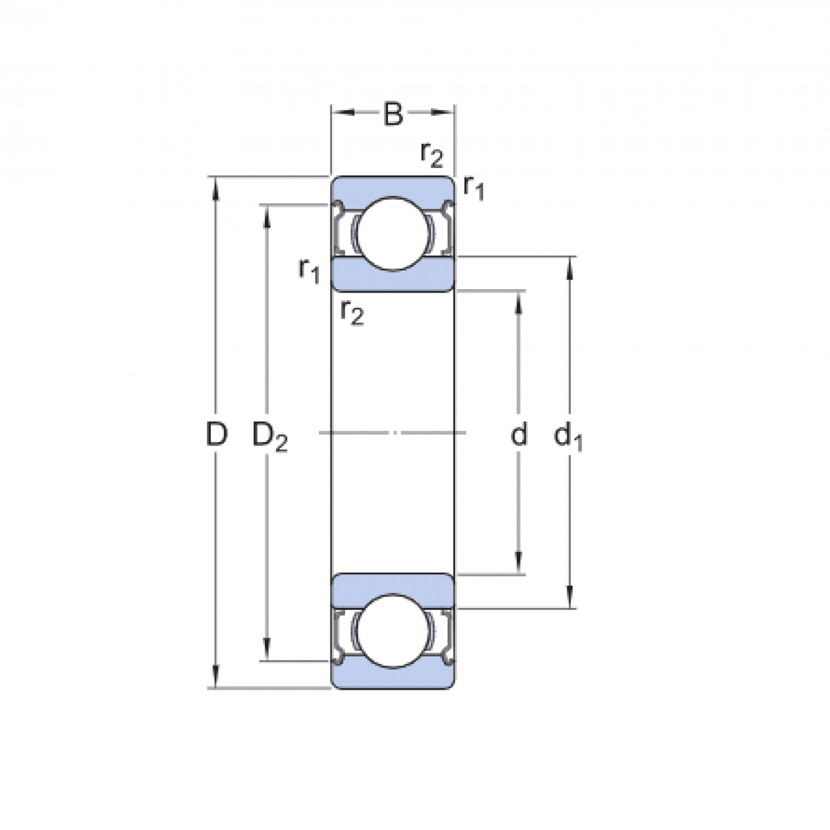
Rozmer: 55x120x29 Značka: KOYO-TORRINGTON
Externý sklad na dopyt
+
-
ks