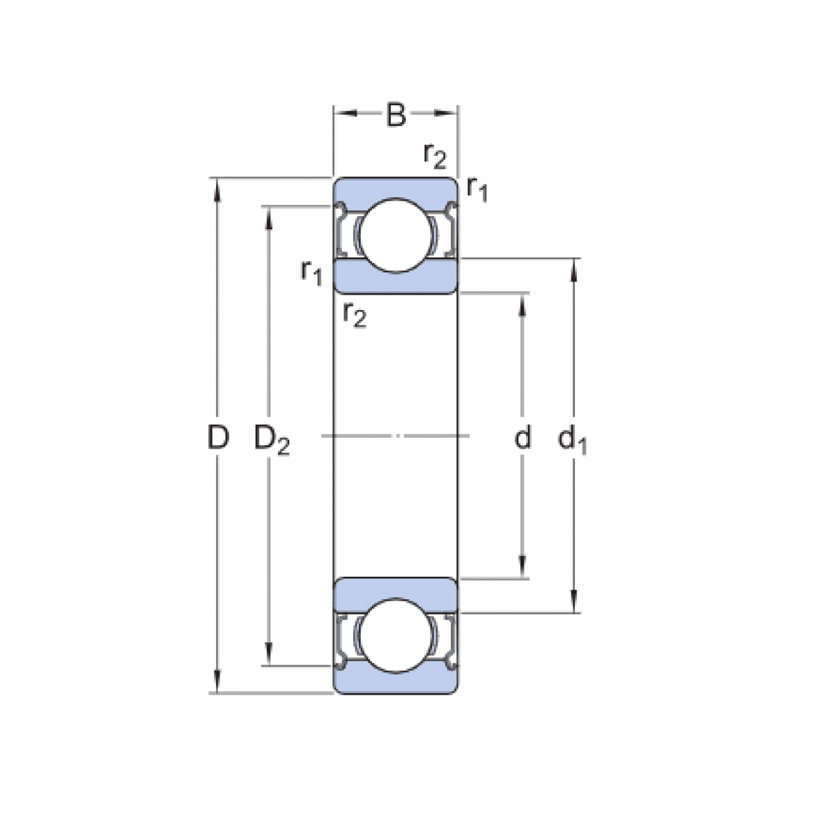
Ložisko 6311 2RSR - FAG

Rozmer: 55x120x29 Značka: FAG
Skladom 2 ks na dopyt
+
-
ks