Ložisko 6311 2Z C3 - SKF

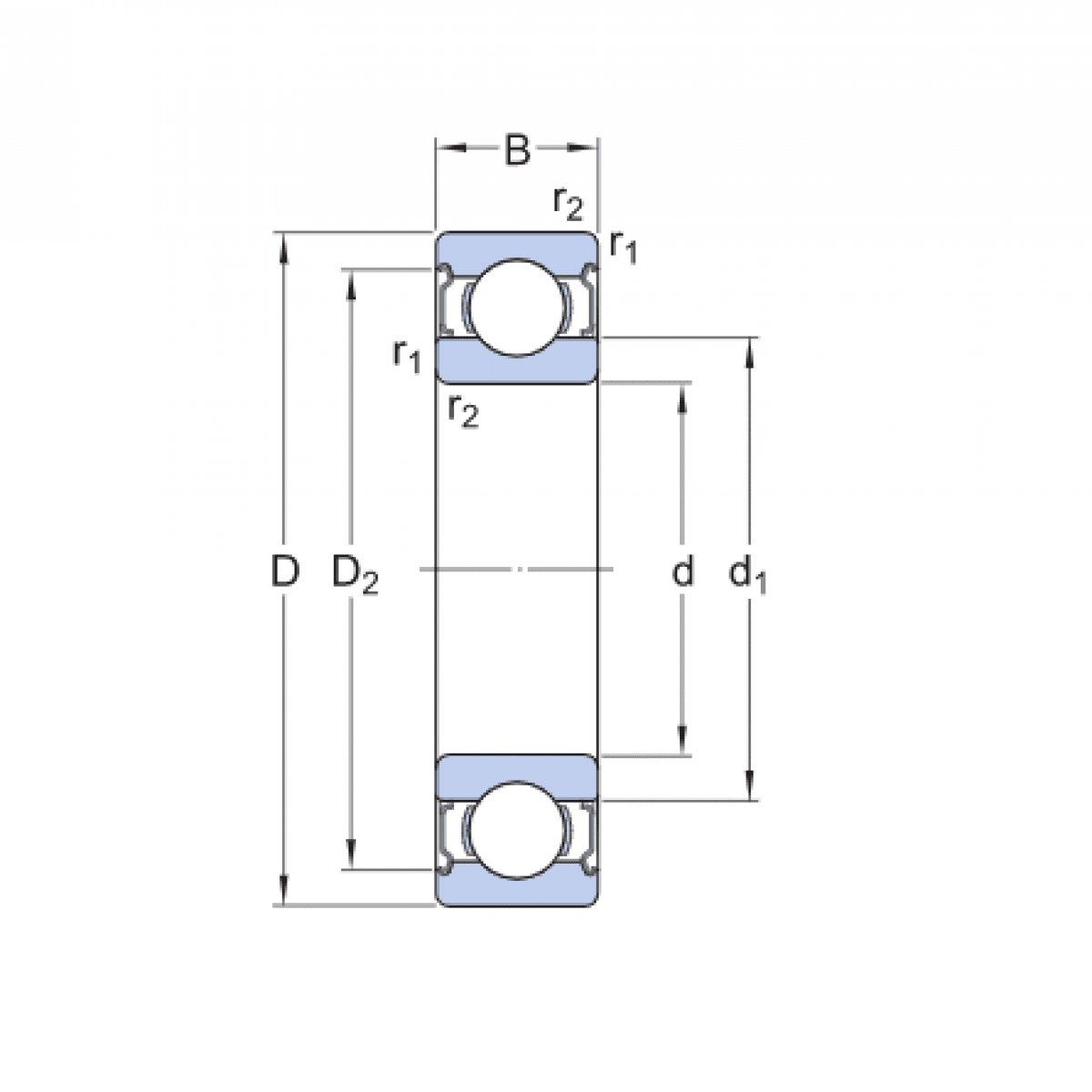
Rozmer: 55x120x29 Značka: SKF
Skladom 2 ks na dopyt
+
-
ks