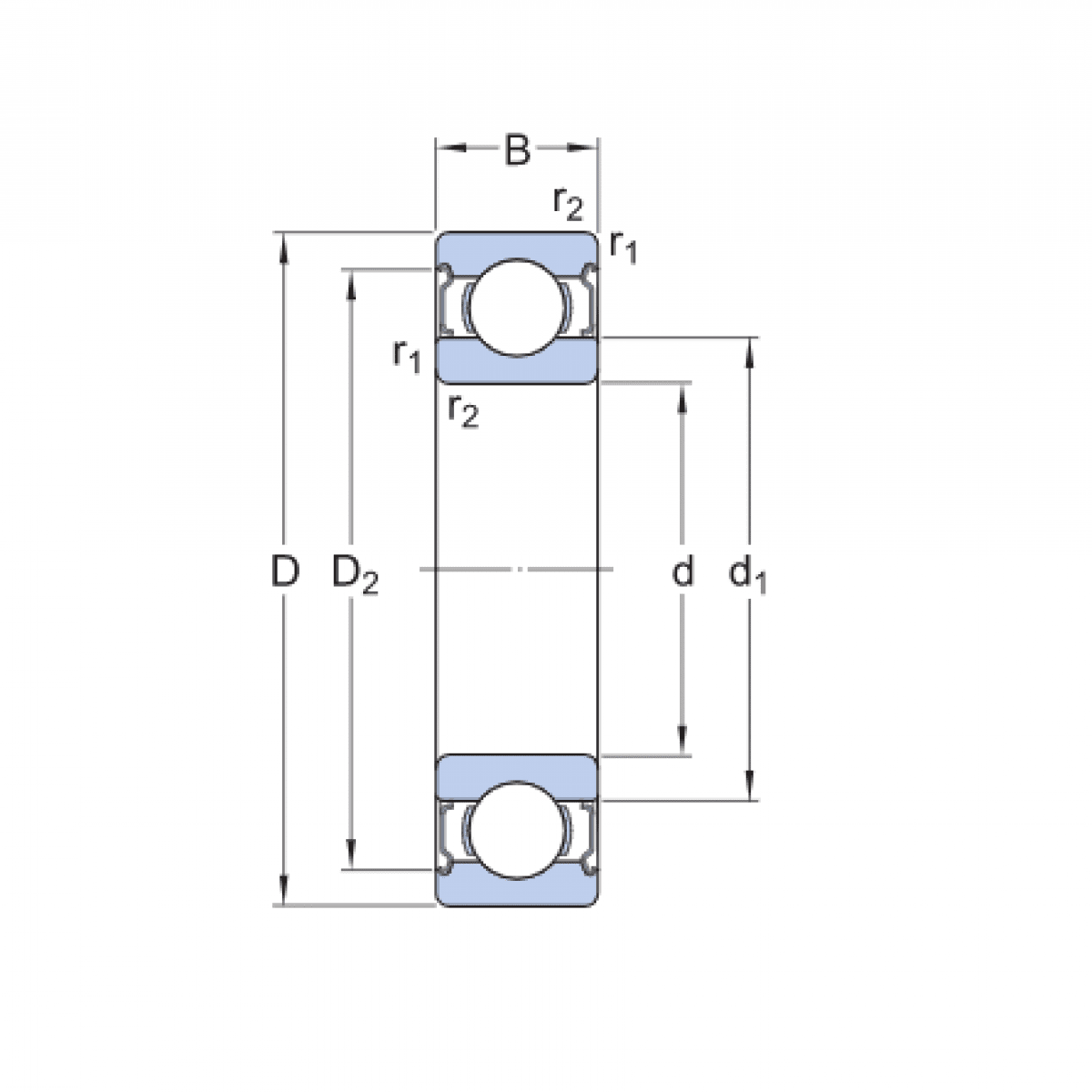
Ložisko 6311 2Z C3 - ZLK

Rozmer: 55x120x29 Značka: ZLK
Externý sklad na dopyt
+
-
ks