Ložisko 6311 2Z - CX

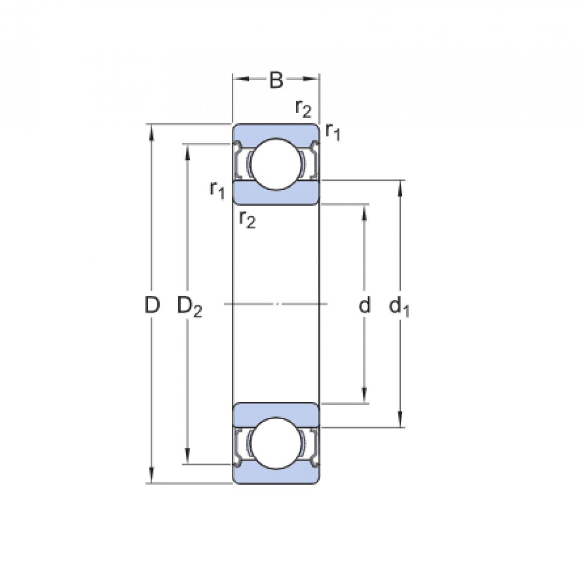
Rozmer: 55x120x29 Značka: CX
Skladom 4 ks na dopyt
+
-
ks