Ložisko 6311 C4 - NTN

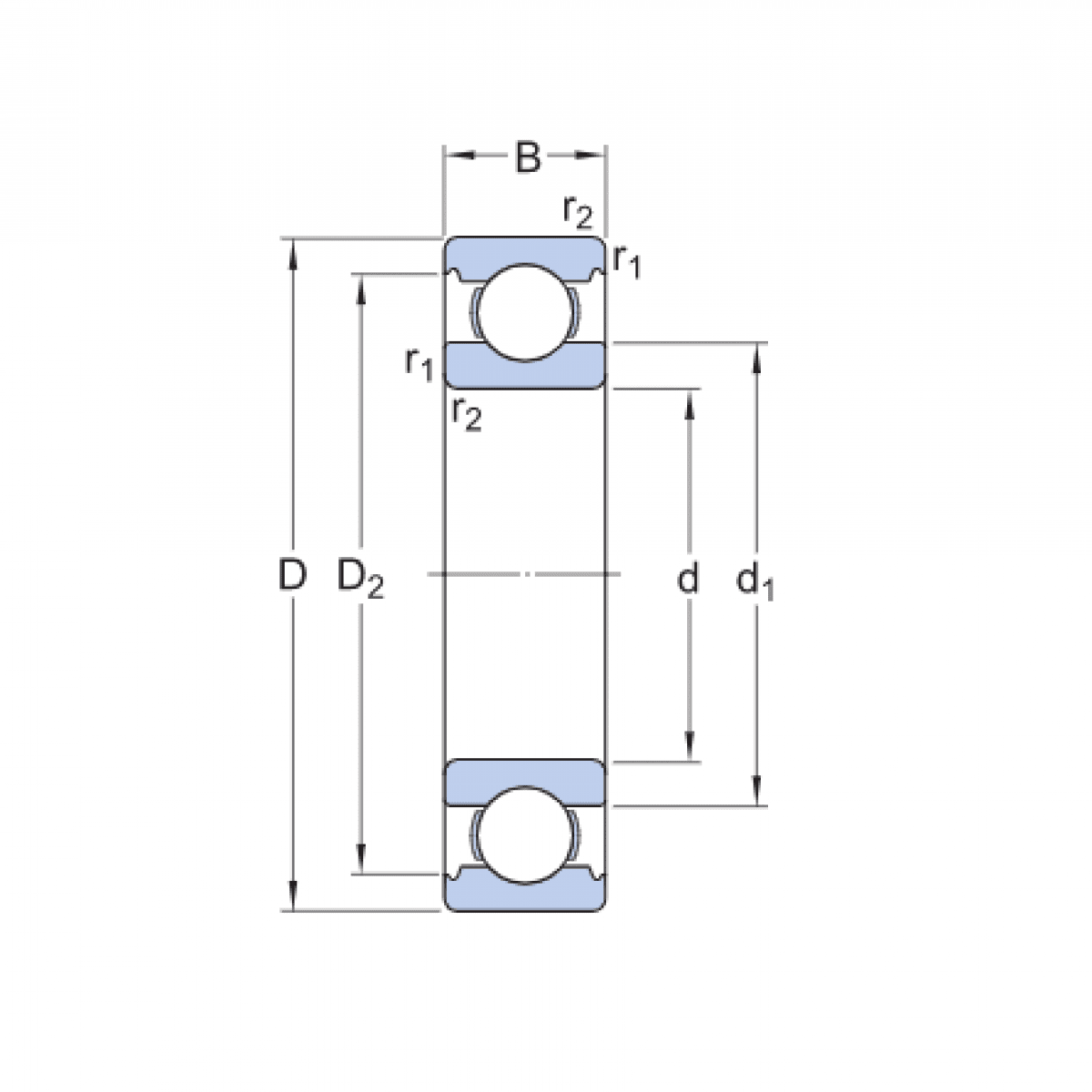
Rozmer: 55x120x29 Značka: NTN
Externý sklad na dopyt
+
-
ks