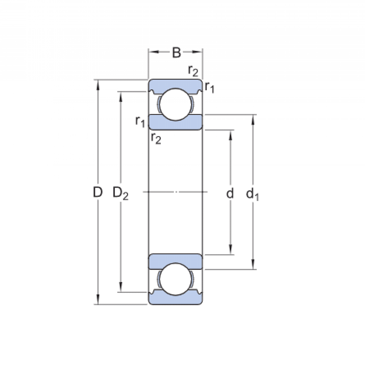
Ložisko 6311 - KINEX

Rozmer: 55x120x29 Značka: KINEX
Externý sklad na dopyt
+
-
ks