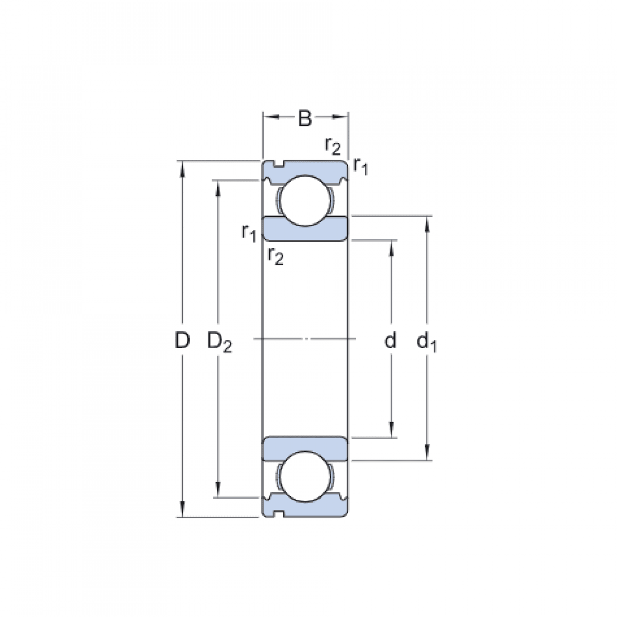
Ložisko 6311 N - CX

Rozmer: 55x120x29 Značka: CX
Externý sklad na dopyt
+
-
ks