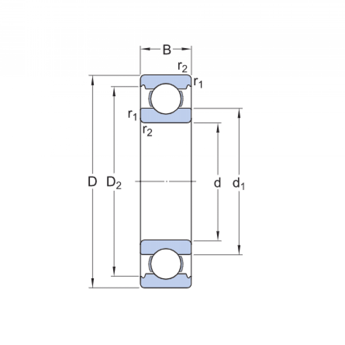
Ložisko 6311 - ZKL

Rozmer: 55x120x29 Značka: ZKL
Externý sklad na dopyt
+
-
ks