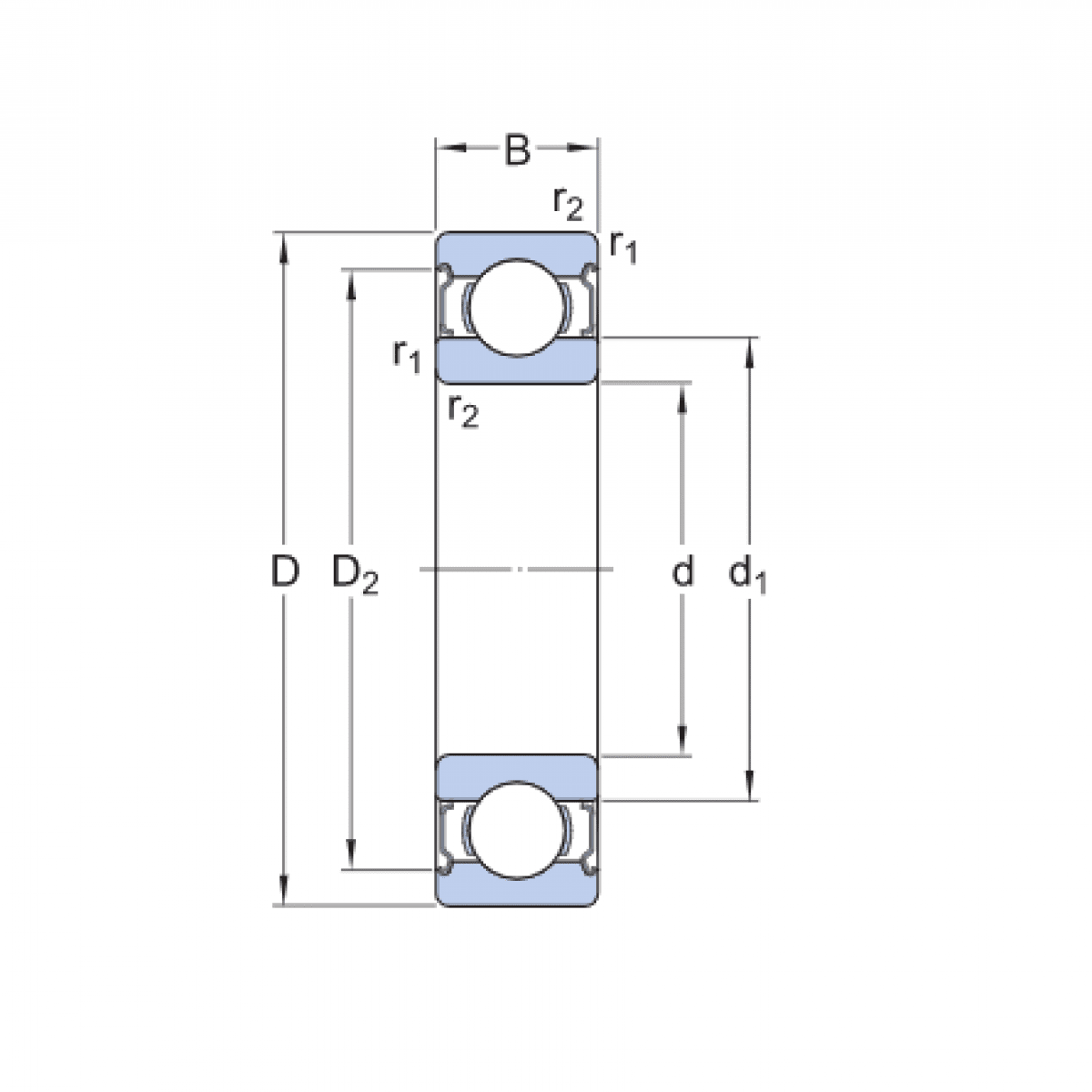
Ložisko 6312 2RS - CX

Rozmer: 60x130x31 Značka: CX
Skladom 1 ks na dopyt
+
-
ks