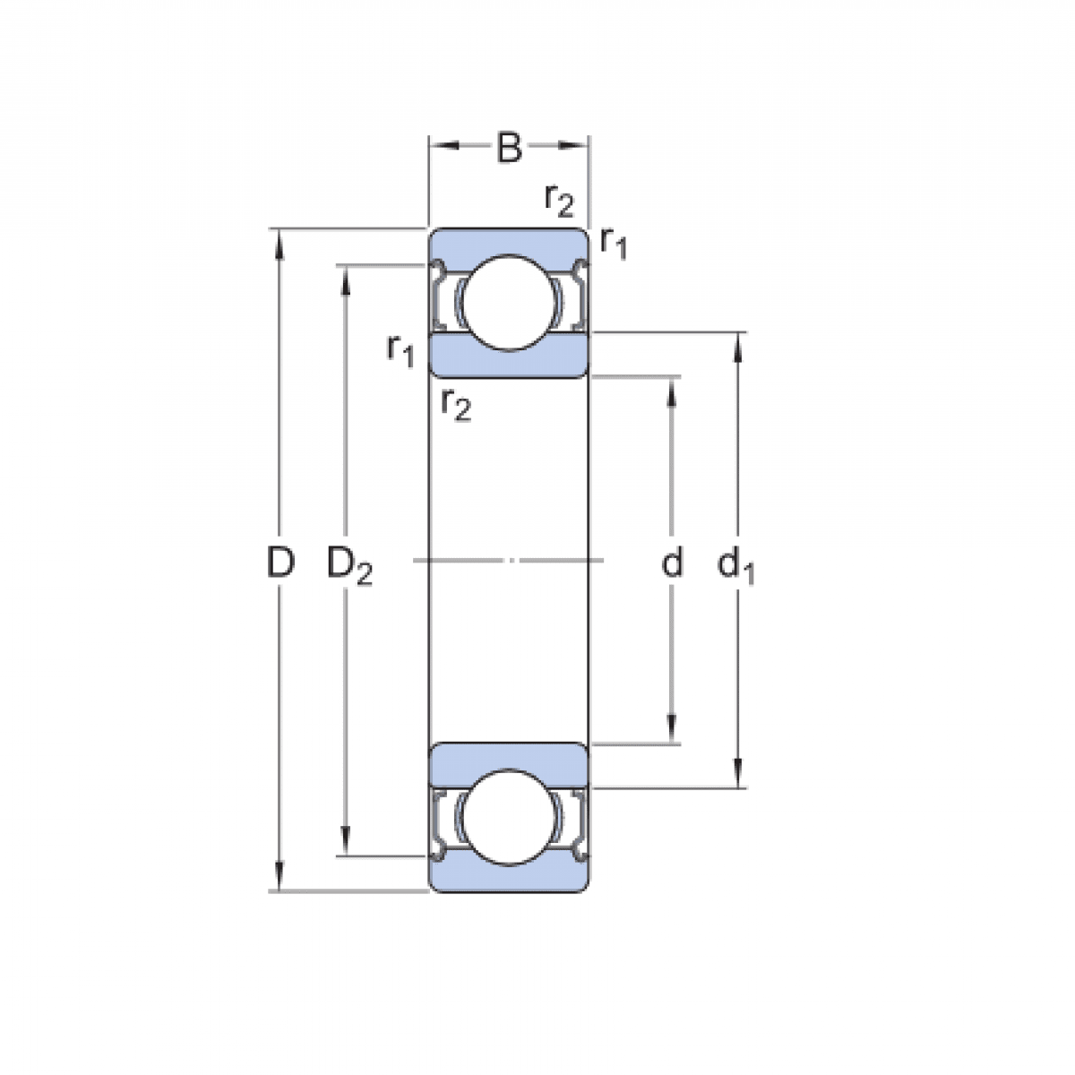
Ložisko 6312 2RS - ZVL

Rozmer: 60x130x31 Značka: ZVL
Externý sklad na dopyt
+
-
ks