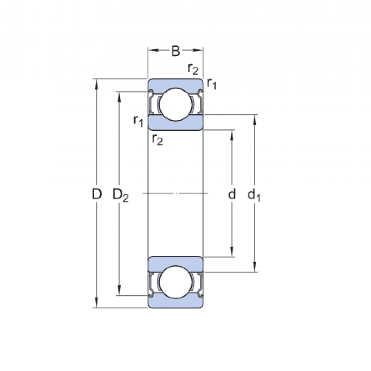
Ložisko 6312 2Z C3 WT- SKF

Rozmer: 60x130x31 Značka: SKF
Externý sklad na dopyt
+
-
ks