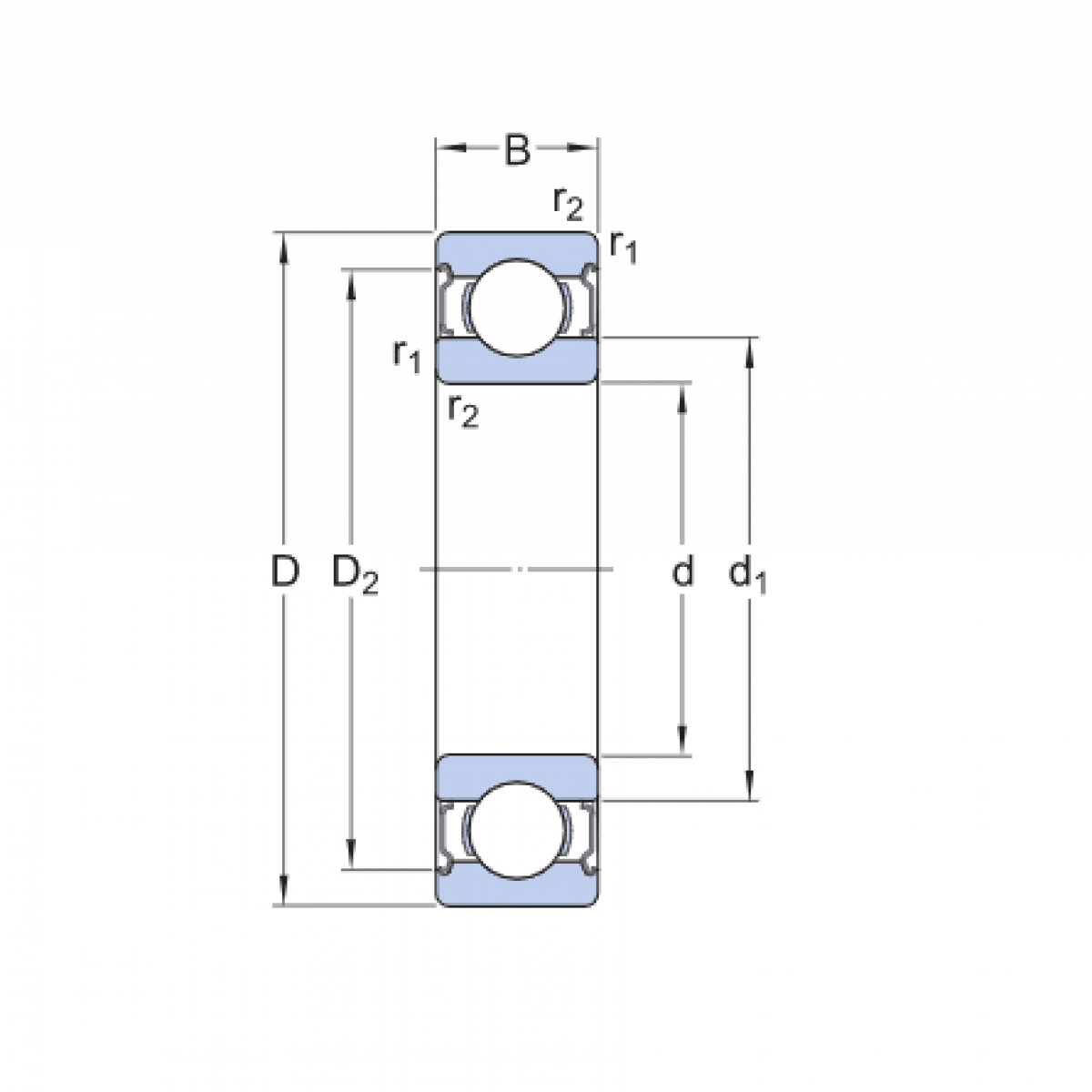
Ložisko 6312 2Z - KBS

Rozmer: 60x130x31 Značka: KBS, KBC
Externý sklad na dopyt
+
-
ks