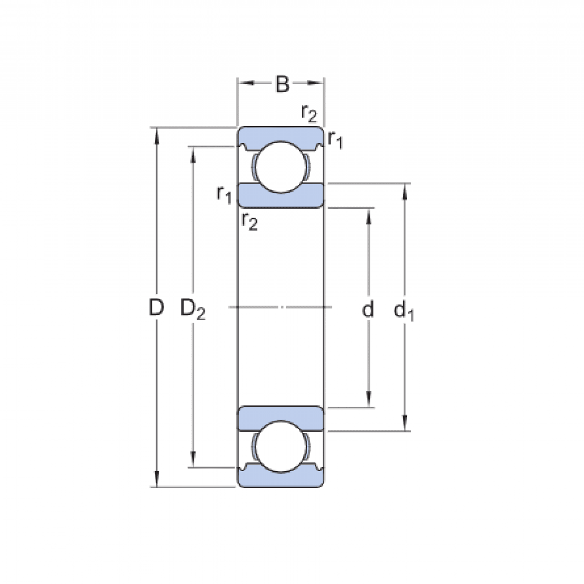
Ložisko 6312 C3 - SKF

Rozmer: 60x130x31 Značka: SKF
Externý sklad na dopyt
+
-
ks