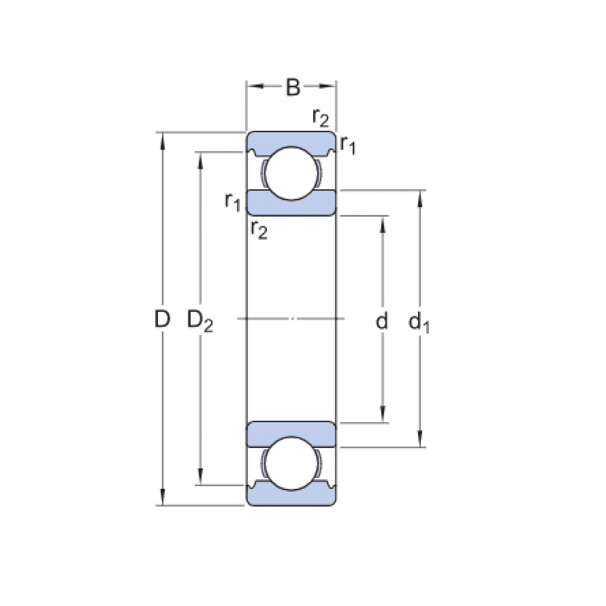
Ložisko 6312 C3 - URB

Rozmer: 60x130x31 Značka: URB
Externý sklad na dopyt
+
-
ks