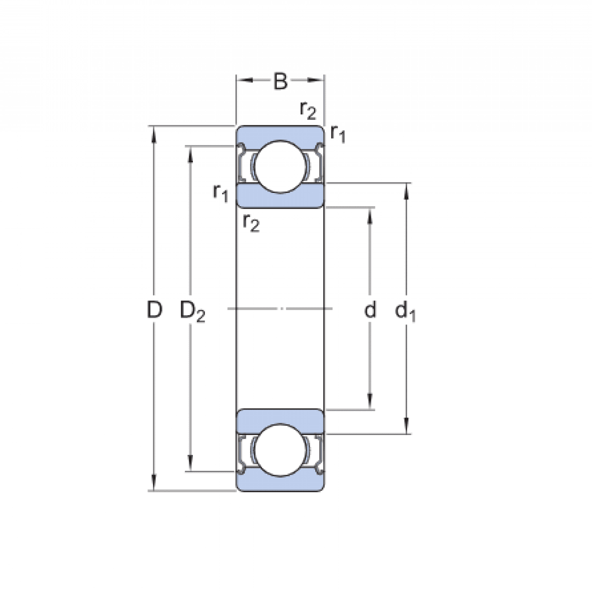
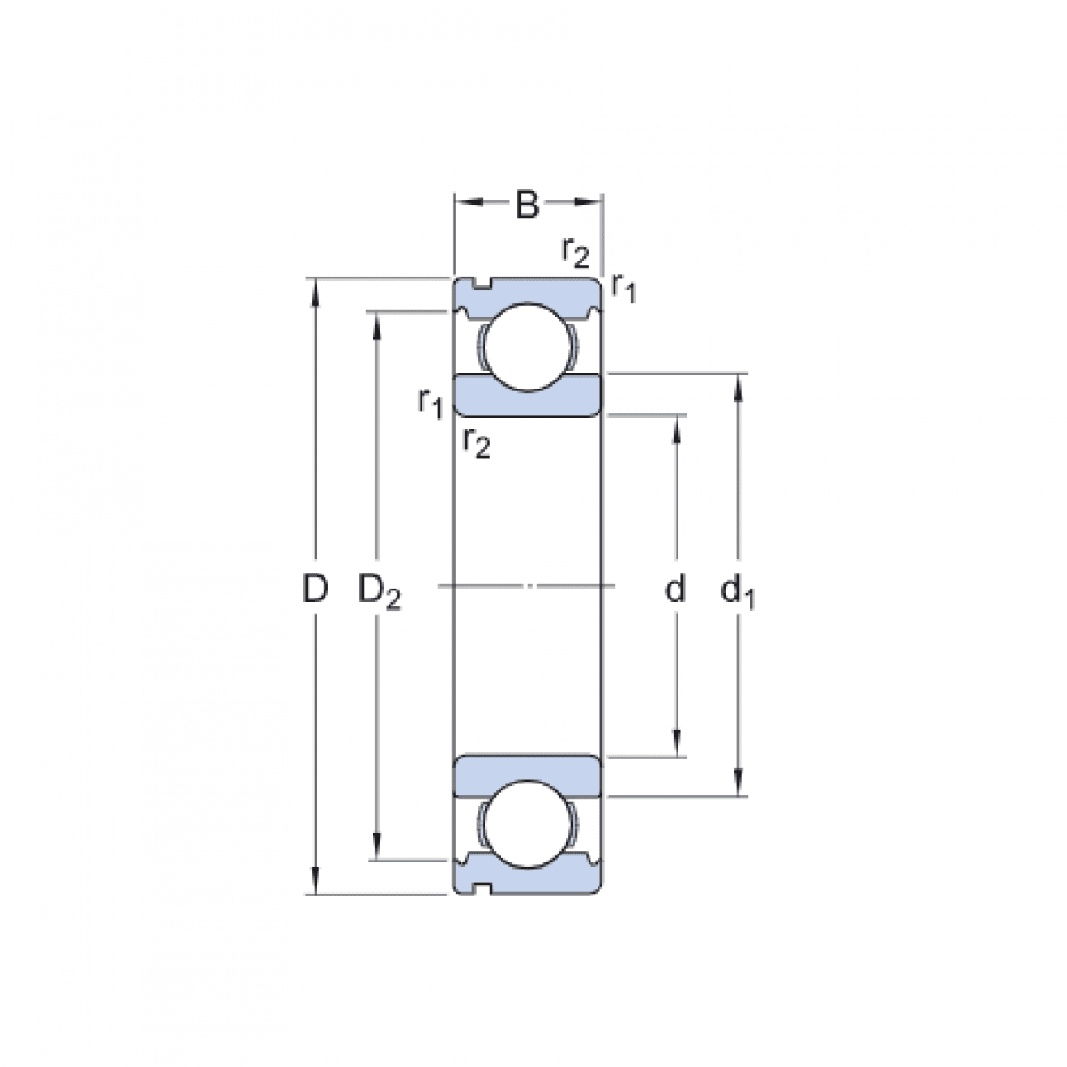
Ložisko 6312 N C3 - ZKL

Rozmer: 60x130x31 Značka: ZKL
Externý sklad na dopyt
+
-
ks