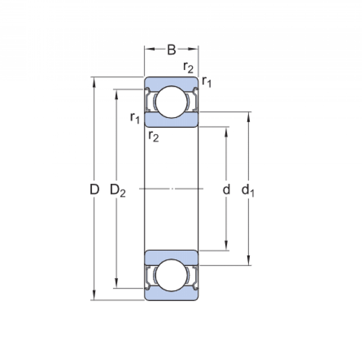
Ložisko 6313 2RS - CX

Rozmer: 65x140x33 Značka: CX
Externý sklad na dopyt
+
-
ks