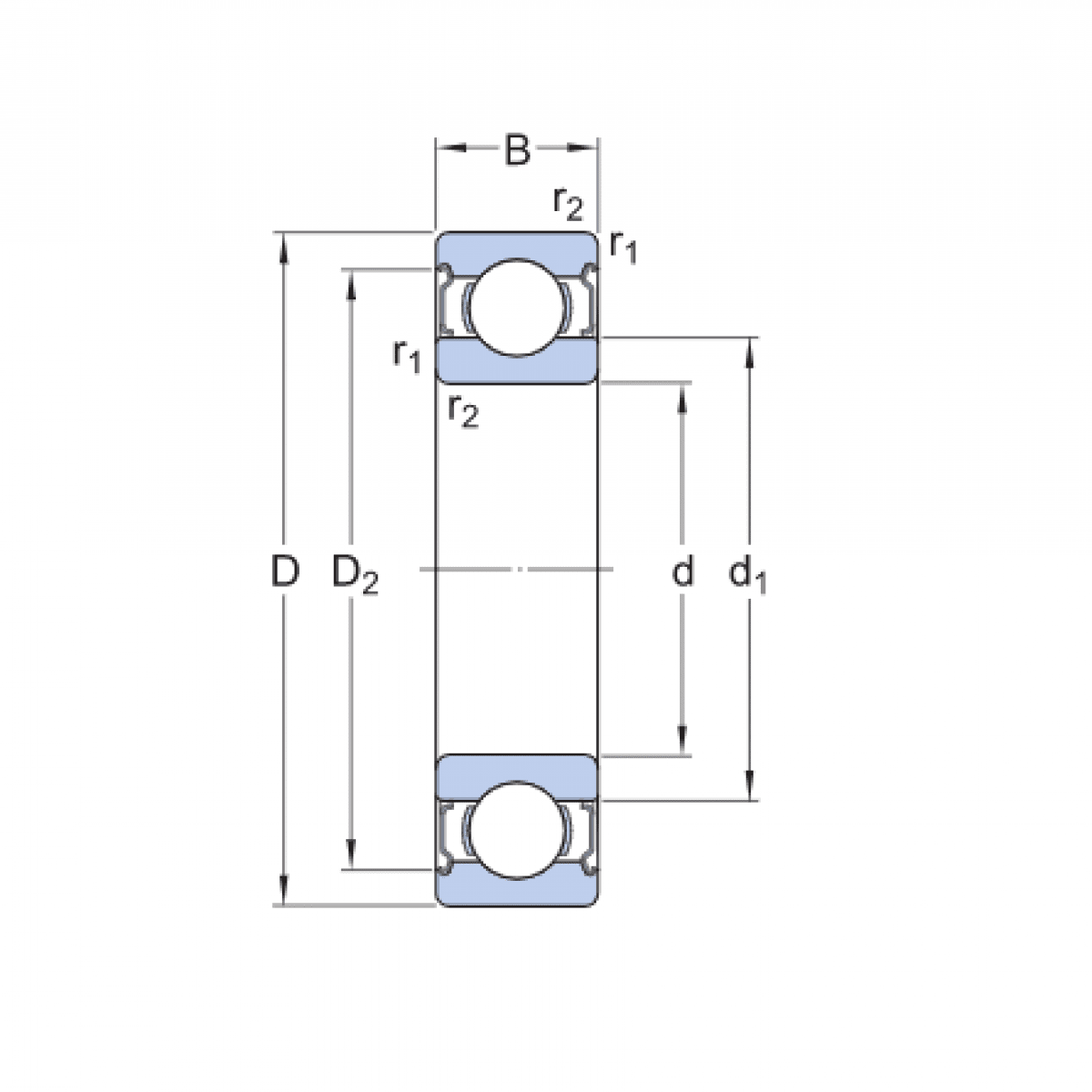
Ložisko 6313 2Z - CX

Rozmer: 65x140x33 Značka: CX
Skladom 2 ks na dopyt
+
-
ks