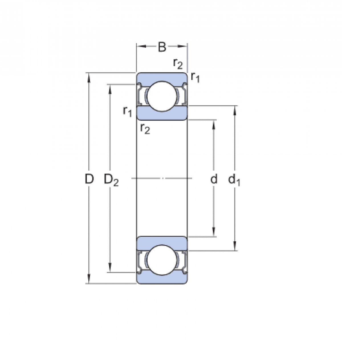
Ložisko 6313 2Z - KBS

Rozmer: 65x140x33 Značka: KBS, KBC
Externý sklad na dopyt
+
-
ks