Ložisko 6313 2Z - MTM

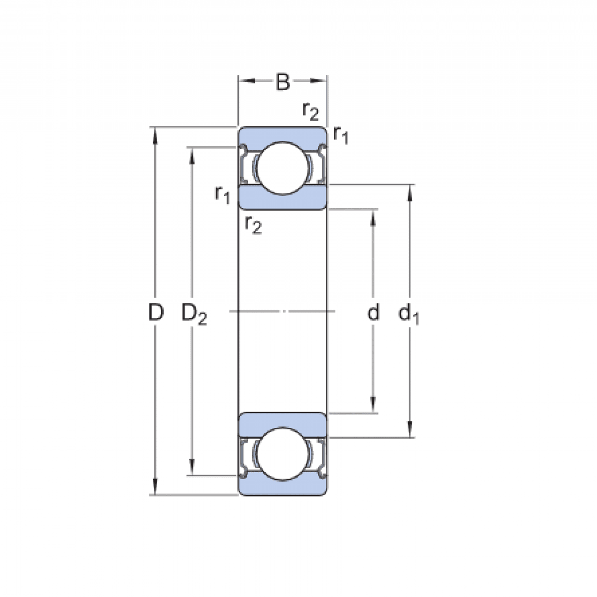
Rozmer: 65x140x33 Značka: MTM
Skladom 6 ks na dopyt
+
-
ks