Ložisko 6313 C3 - FAG

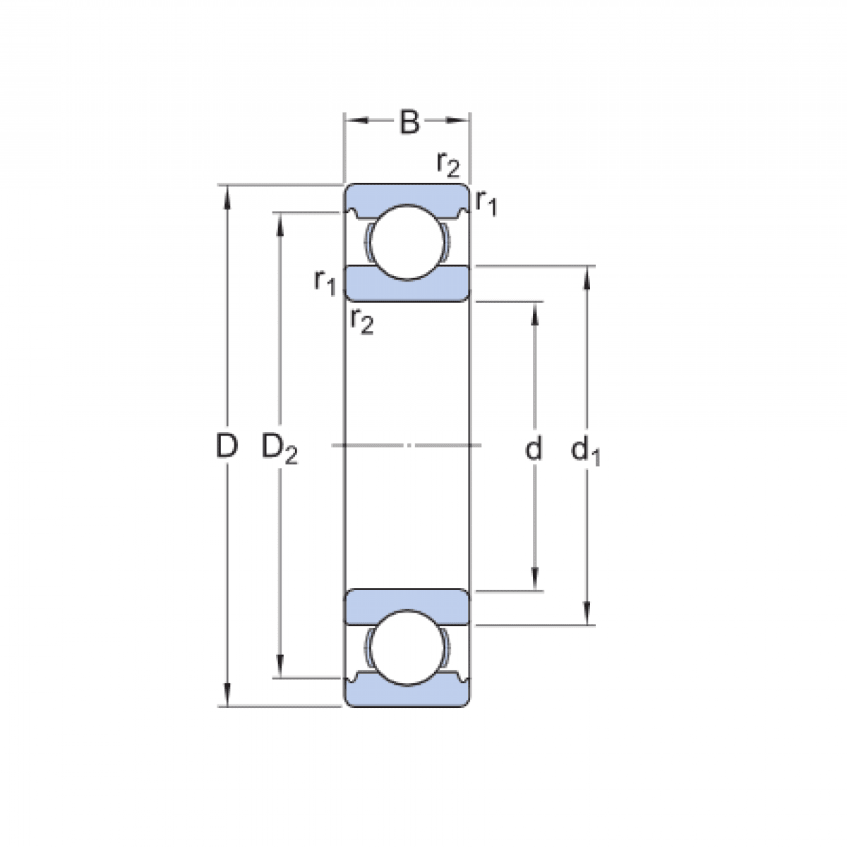
Rozmer: 65x140x33 Značka: FAG
Skladom 1 ks na dopyt
+
-
ks