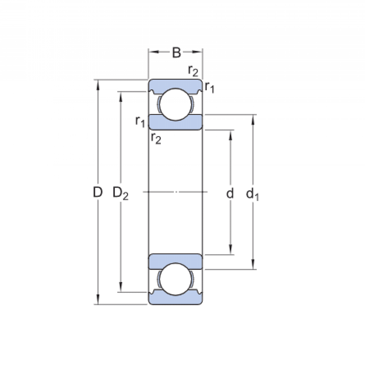
Ložisko 6313 C3 - SKF

Rozmer: 65x140x33 Značka: SKF
Externý sklad na dopyt
+
-
ks