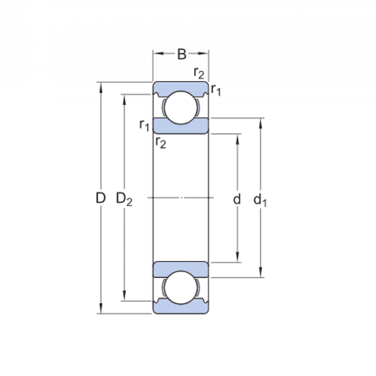
Ložisko 6313 C3 - ZKL NEW

Rozmer: 65x140x33 Značka: ZKL
Externý sklad na dopyt
+
-
ks