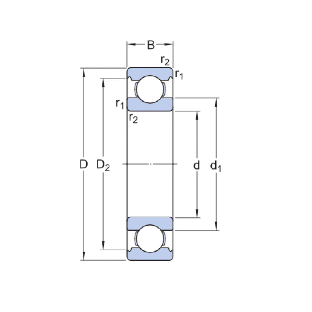
Ložisko 6313 - DKF

Rozmer: 65x140x33 Značka: DKF
Externý sklad na dopyt
+
-
ks