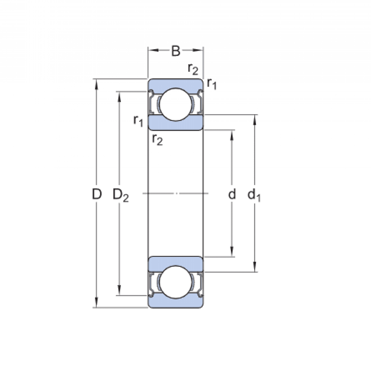
Ložisko 6314 2RS - CX

Rozmer: 70x150x35 Značka: CX
Externý sklad na dopyt
+
-
ks