Ložisko 6314 2RS - MTM

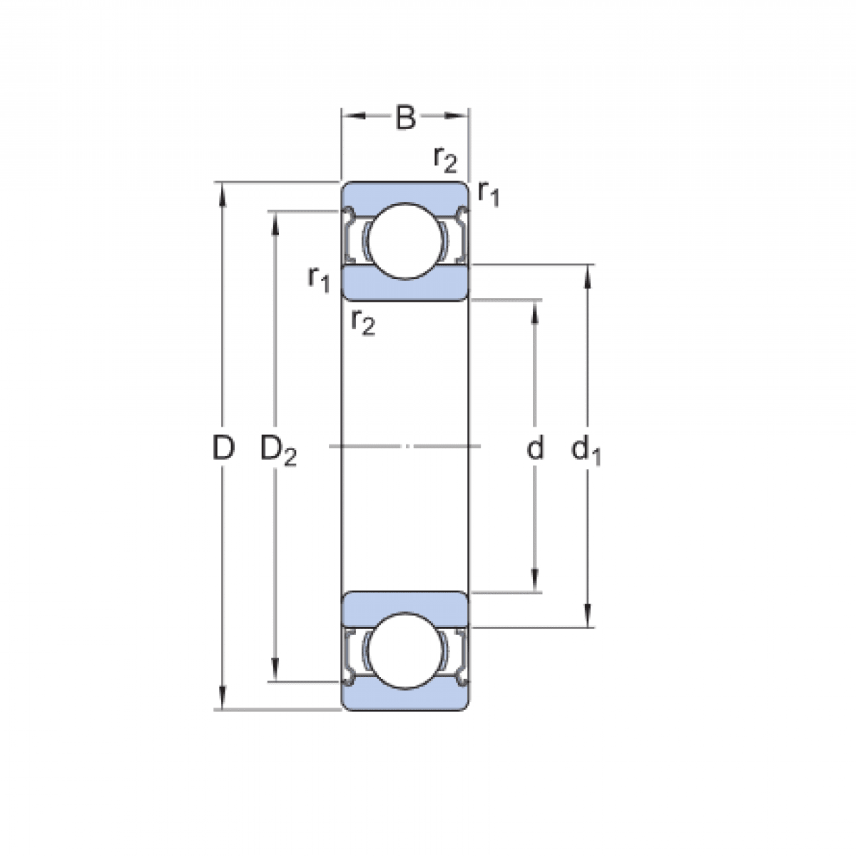
Rozmer: 70x150x35 Značka: MTM
Skladom 4 ks na dopyt
+
-
ks