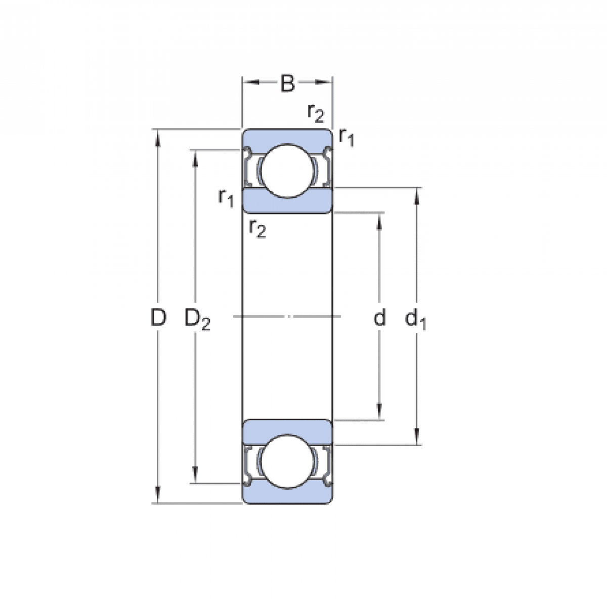
Ložisko 6314 2Z - BBC

Rozmer: 70x150x35 Značka: BBC
Skladom 1 ks na dopyt
+
-
ks