Ložisko 6314 2Z C3 - SKF

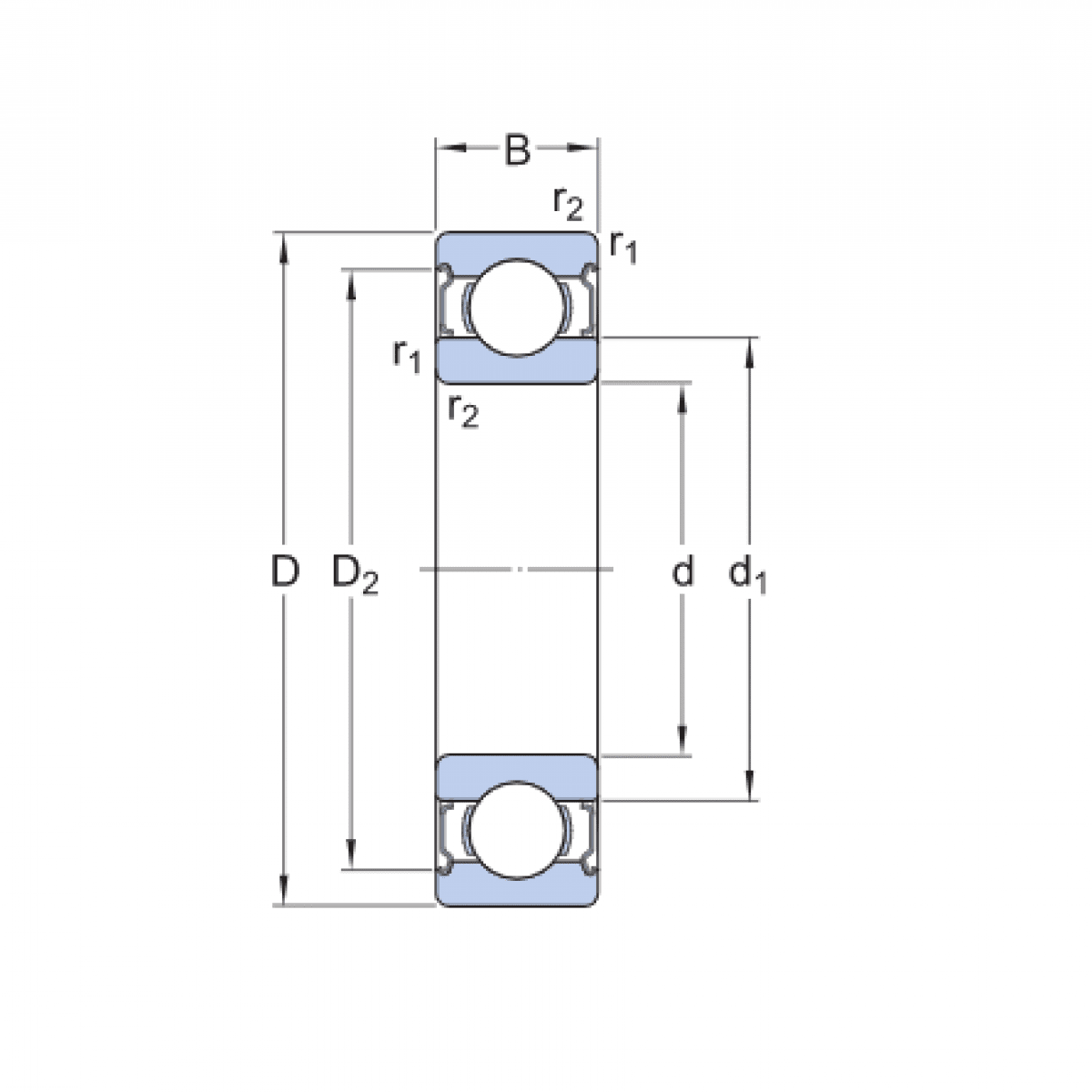
Rozmer: 70x150x35 Značka: SKF
Skladom 8 ks na dopyt
+
-
ks