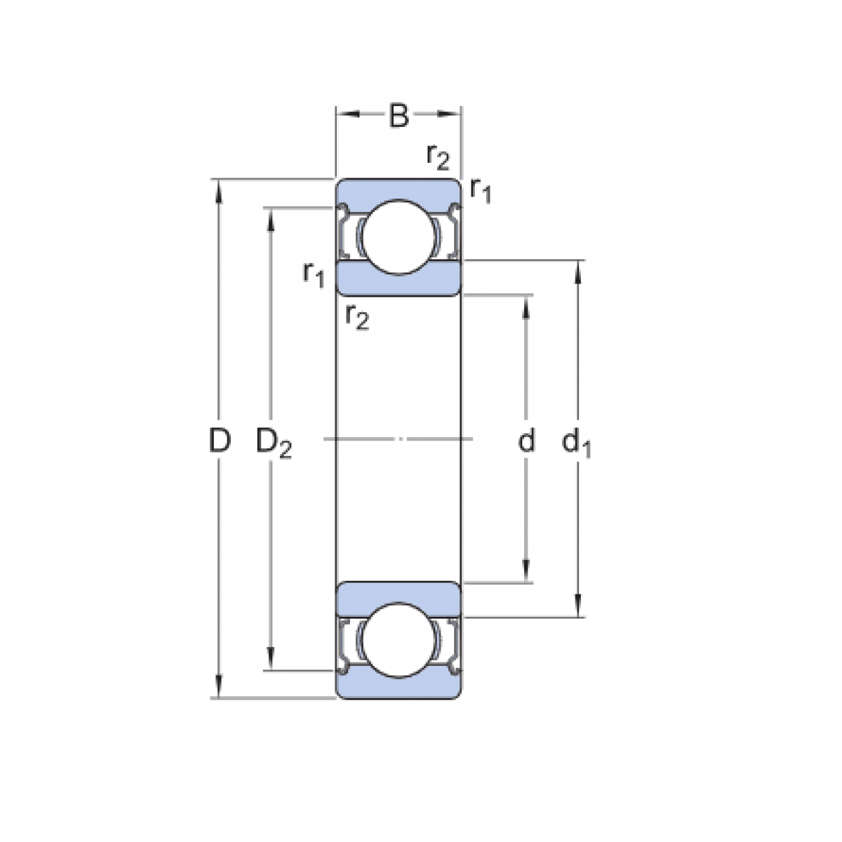
Ložisko 6314 2Z - FAG

Rozmer: 70x150x35 Značka: FAG
Externý sklad na dopyt
+
-
ks