Ložisko 6314 C3VL0241 - SKF

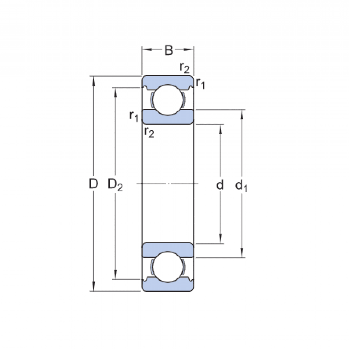
Rozmer: 70x150x35 Značka: SKF
Skladom 1 ks na dopyt
+
-
ks