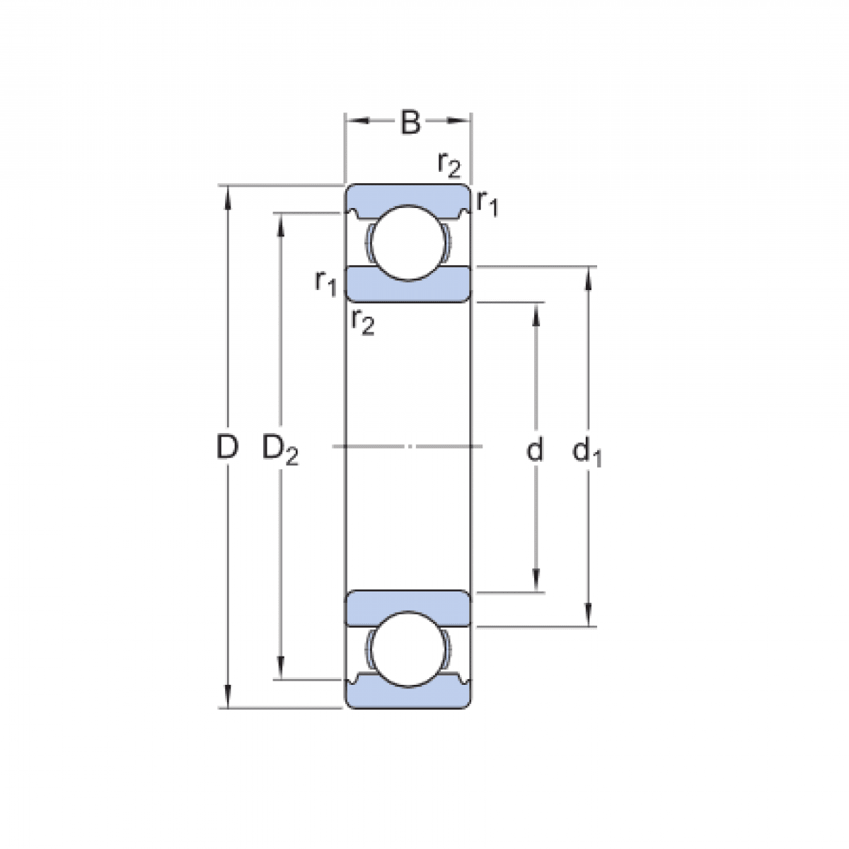
Ložisko 6314 - ZKL

Rozmer: 70x150x35 Značka: ZKL
Externý sklad na dopyt
+
-
ks