Ložisko 6315 2RS - CX

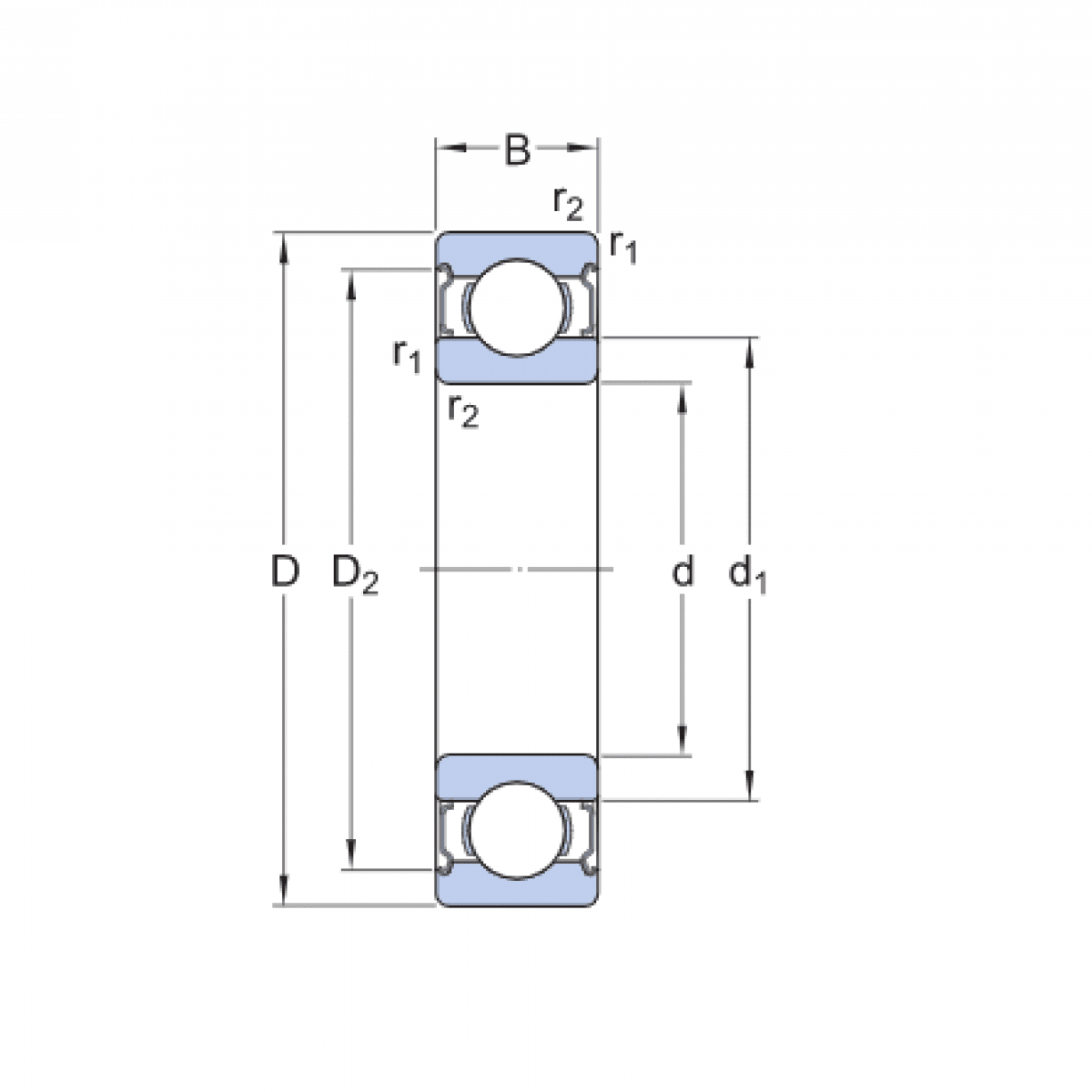
Rozmer: 75x160x37 Značka: CX
Skladom 6 ks na dopyt
+
-
ks