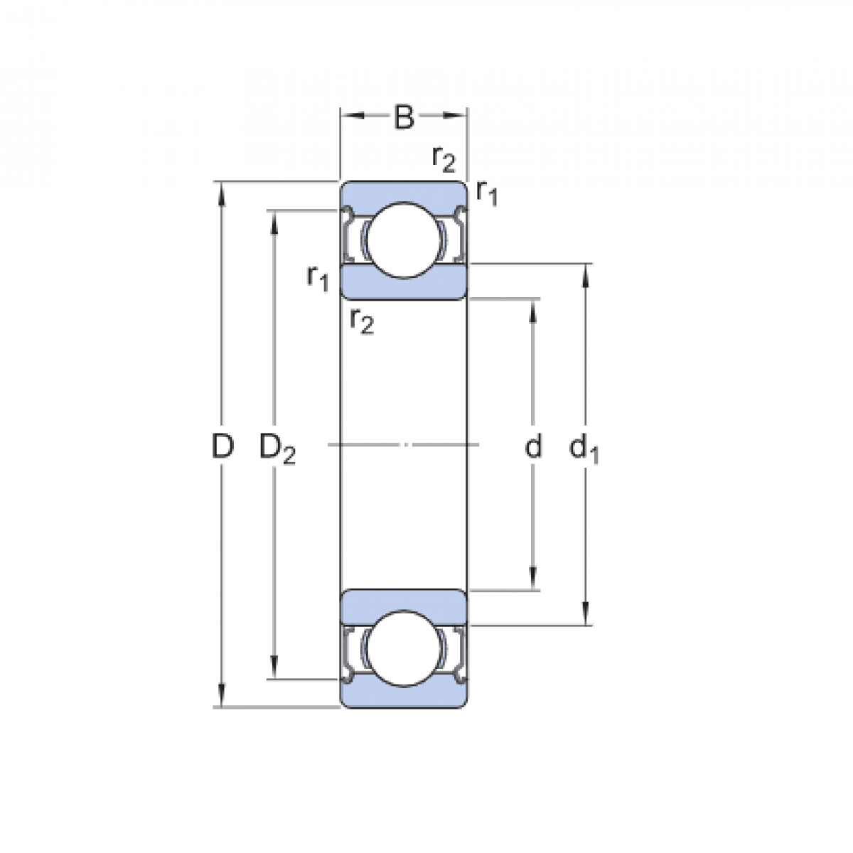
Ložisko 6315 2Z - CX

Rozmer: 75x160x37 Značka: CX
Skladom 1 ks na dopyt
+
-
ks