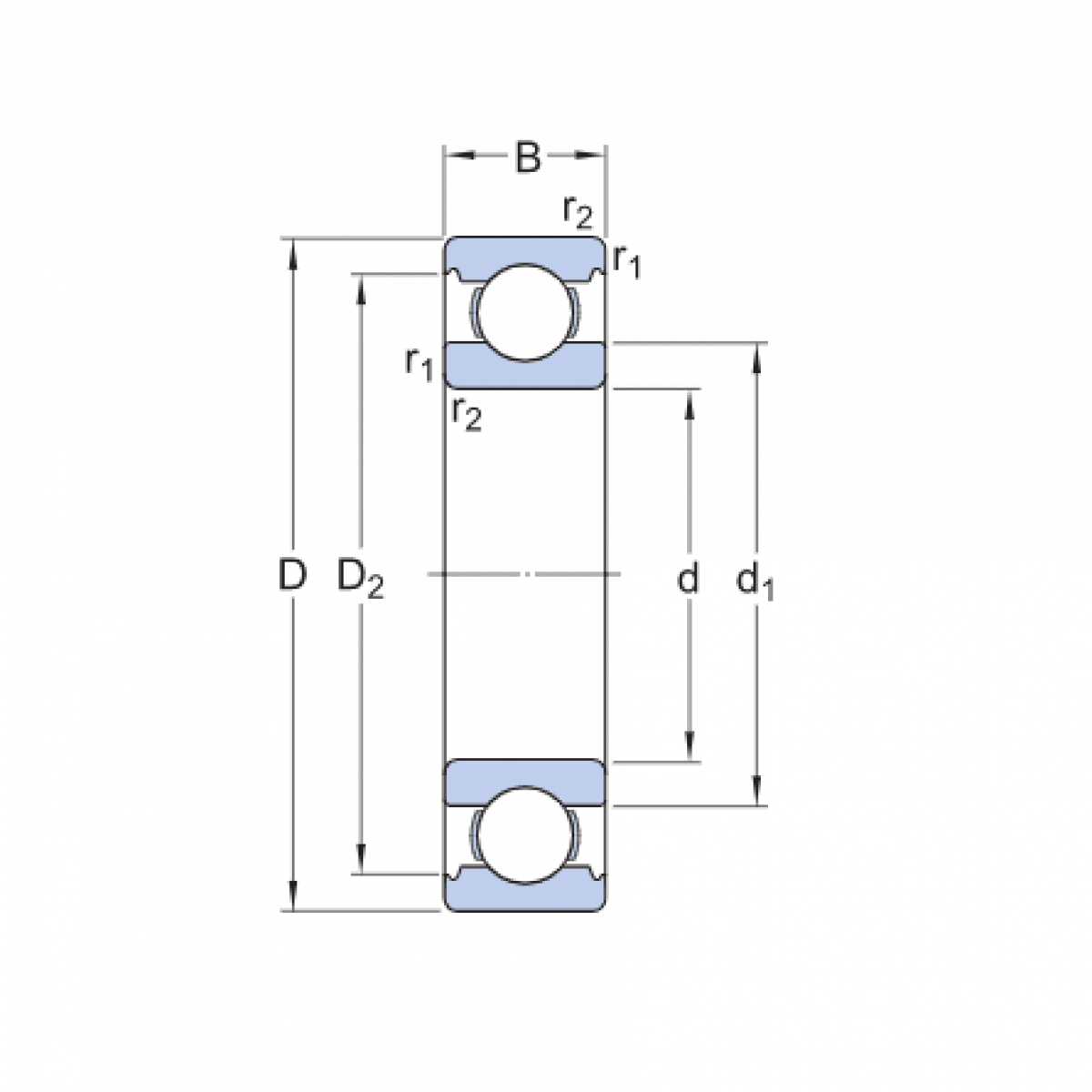
Ložisko 6315 C3 - ZKL

Rozmer: 75x160x37 Značka: ZKL
Externý sklad na dopyt
+
-
ks