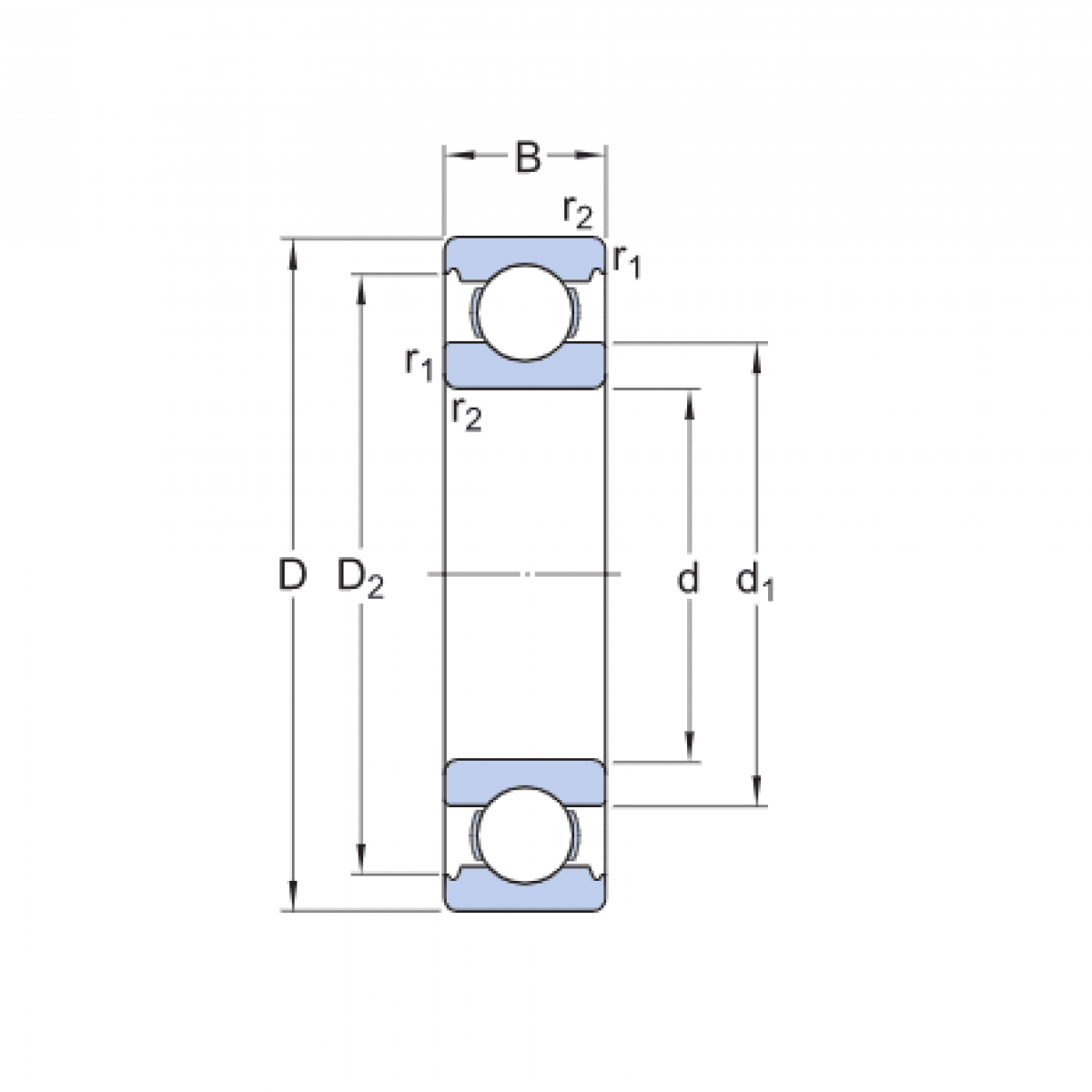
Ložisko 6315 M C3 - FAG

Rozmer: 75x160x37 Značka: FAG
Externý sklad na dopyt
+
-
ks