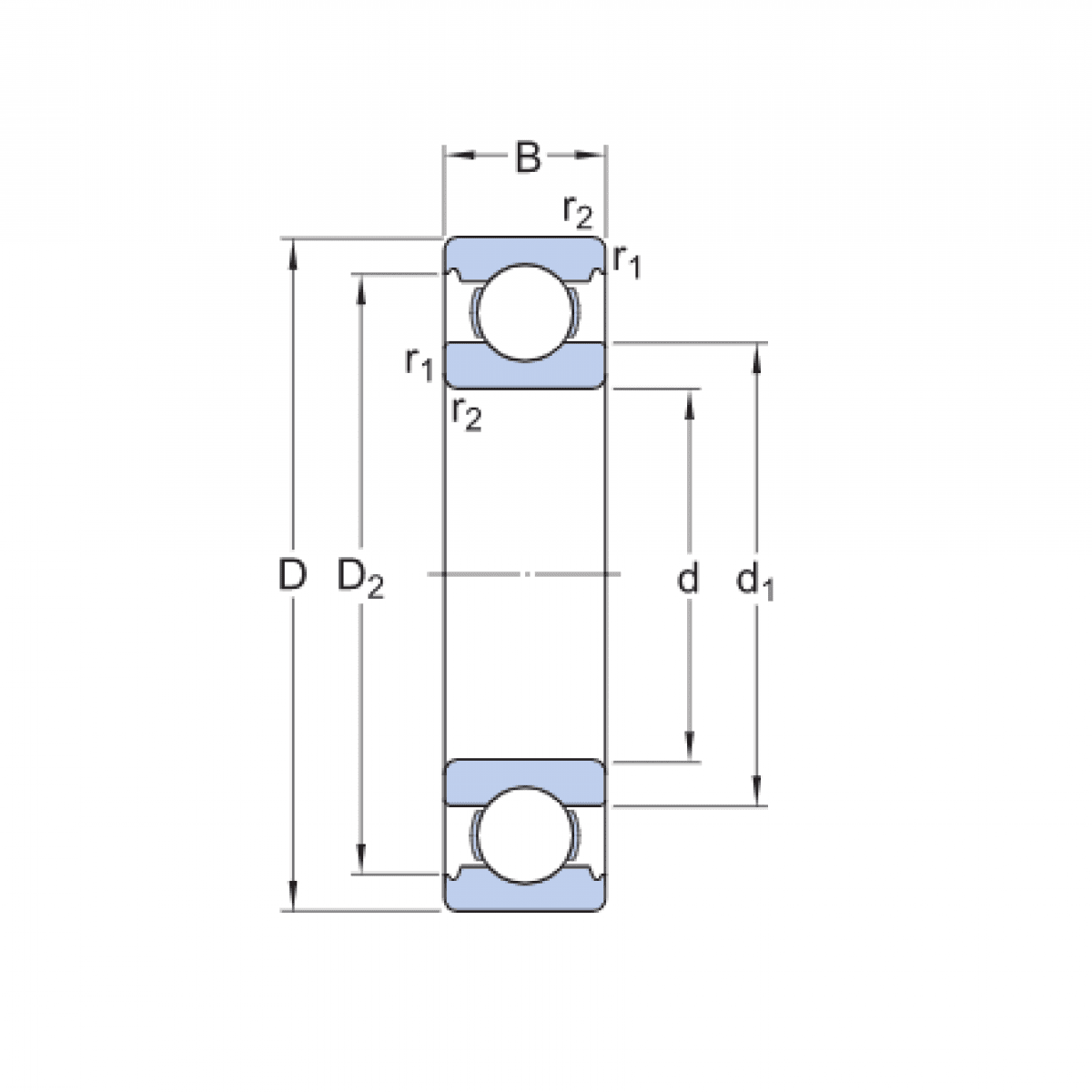
Ložisko 6315 - SKF

Rozmer: 75x160x37 Značka: SKF
Externý sklad na dopyt
+
-
ks