Ložisko 6316 2RS - CX

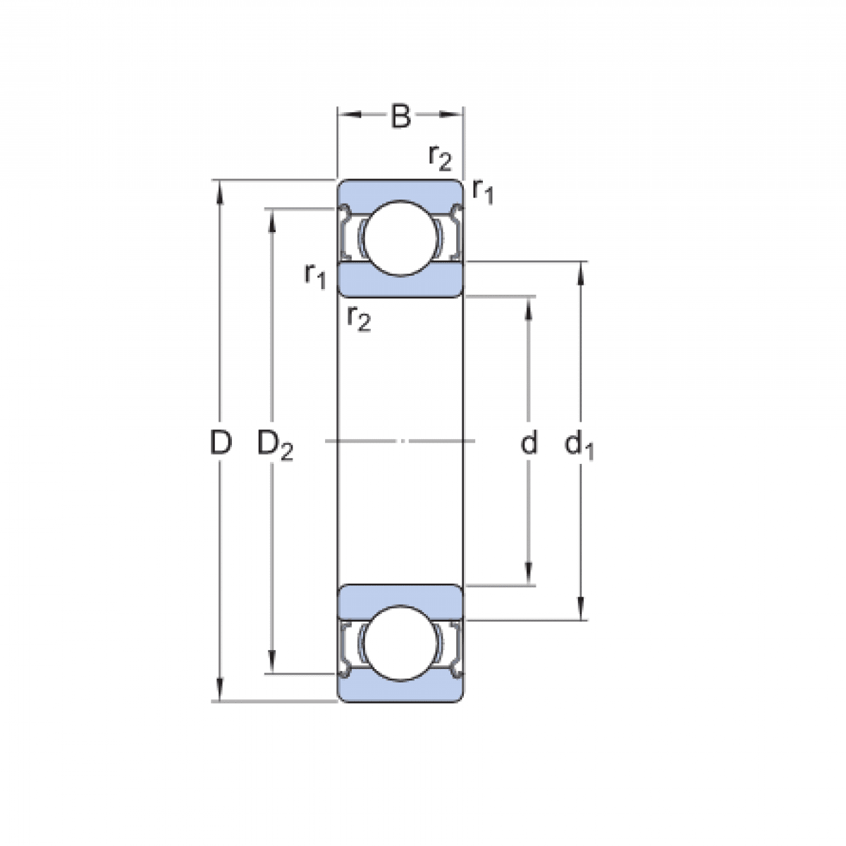
Rozmer: 80x170x39 Značka: CX
Skladom 4 ks na dopyt
+
-
ks