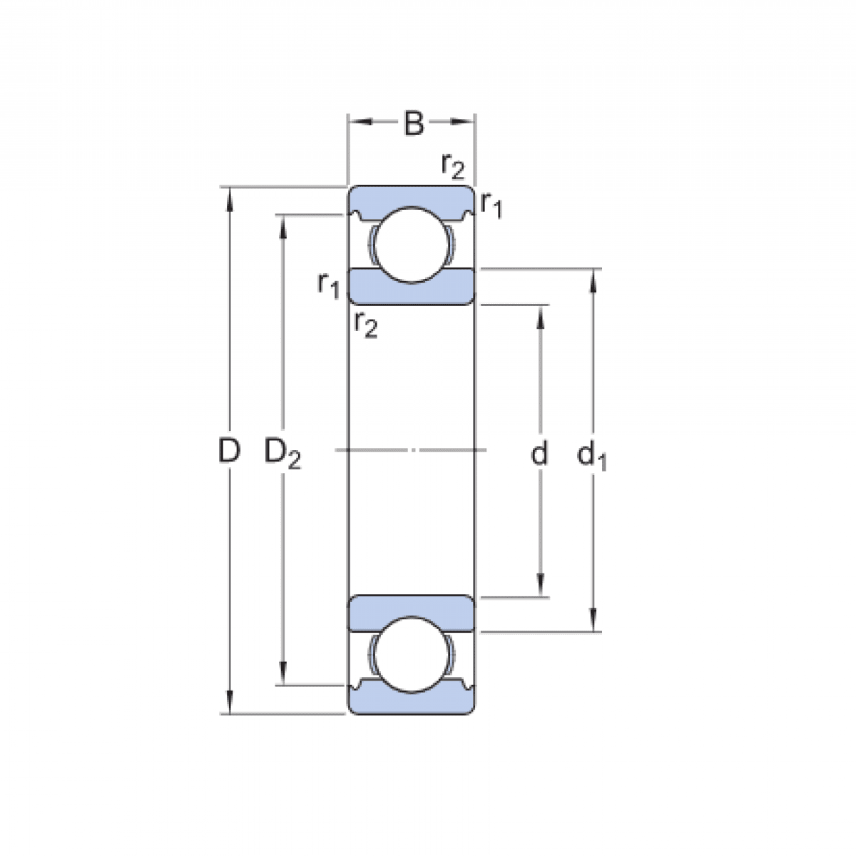
Ložisko 6316 C3VL0241 - SKF

Rozmer: 80x170x39 Značka: SKF
Externý sklad na dopyt
+
-
ks