Ložisko 6316 C4 - FAG

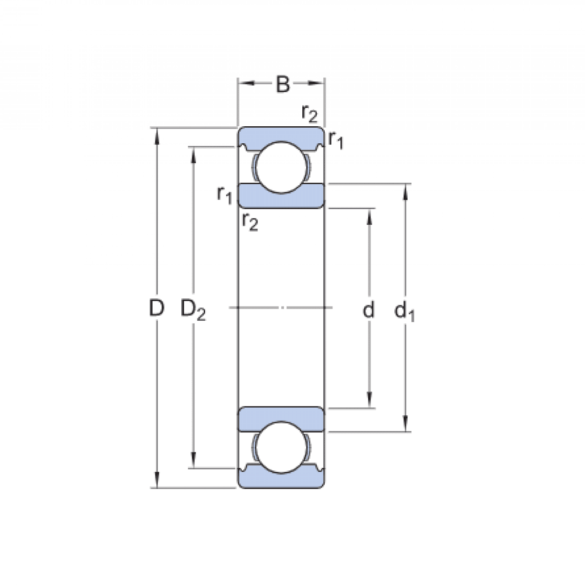
Rozmer: 80x170x39 Značka: FAG
Skladom 1 ks na dopyt
+
-
ks